ZAF060 Versatile Retarder with Adjustable Transmission Ratios
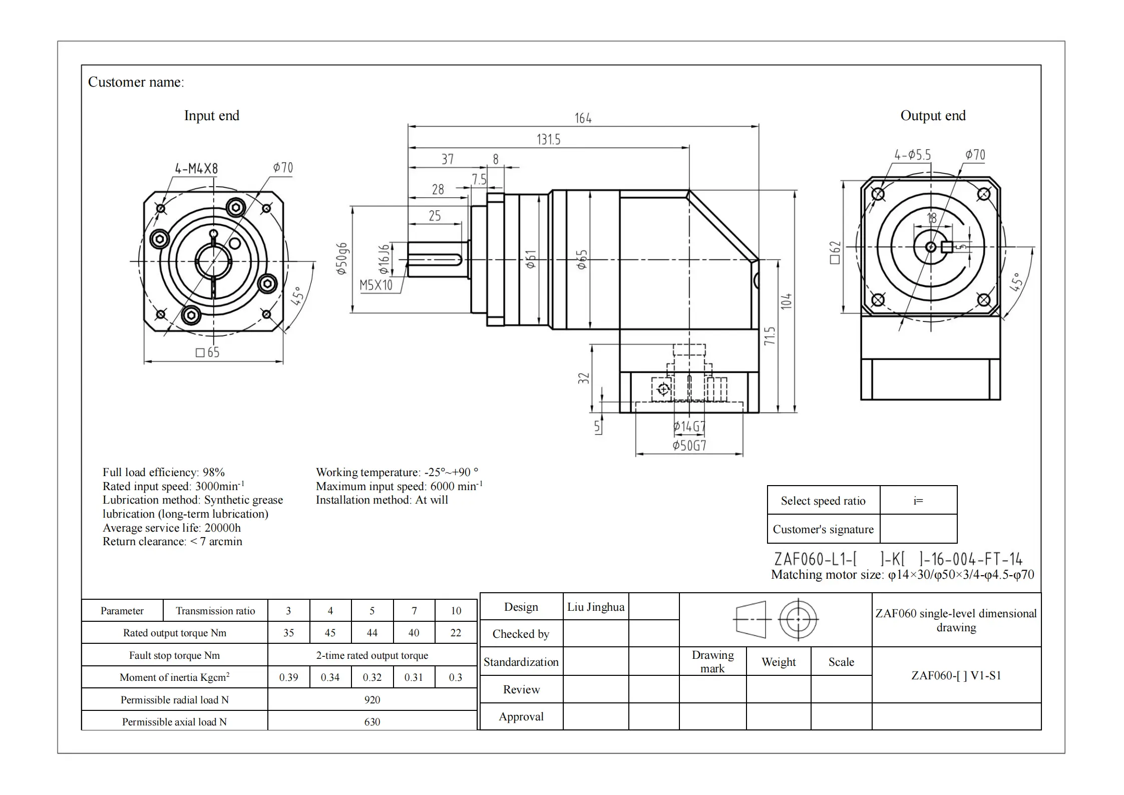
The ZAF060-[ ]V1-S1 retarder is engineered for optimal performance across various applications, providing flexibility and reliability in speed control. This unit offers multiple transmission ratios of 3, 4, 5, 7, and 10, allowing users to tailor the gear settings to meet their specific operational demands.
With a rated output torque that varies with the transmission ratio, the ZAF060 delivers 35 Nm at the 3:1 setting and peaks at 45 Nm with a 4:1 ratio. The 5:1 configuration offers a torque of 44 Nm, while both the 7:1 and 10:1 ratios provide 40 Nm and 22 Nm, respectively. This adaptability makes the retarder suitable for applications ranging from industrial machinery to conveyor systems, ensuring effective load management.
The ZAF060 is designed to handle significant fault stop torque, which can reach twice the rated output torque, providing additional safety during unexpected operational conditions. The moment of inertia varies, with values from 0.39 Kg·cm² at the 3:1 ratio to 0.3 Kg·cm² at the 10:1 ratio. This characteristic enables smooth transitions in speed and direction, crucial for processes requiring precise control.
Designed to withstand heavy loads, the retarder supports a permissible radial load of 920 N and an axial load of 630 N, making it robust enough for demanding applications. This ensures that it can maintain performance even under stress, enhancing durability and reliability.
The compact design of the ZAF060 retarder allows for straightforward integration into various systems, making it an excellent choice for both new installations and retrofitting existing equipment. Its efficient construction promotes longevity, reducing the need for frequent maintenance.
In conclusion, the ZAF060-[ ]V1-S1 retarder stands out for its combination of versatility, high torque output, and robust design. It is an ideal solution for industries seeking reliable speed regulation and load management in their operations. Experience the advantages of enhanced performance and adaptability with the ZAF060 retarder, and ensure your systems run smoothly and efficiently.
| ●Motor configuration and performance parameters | |||||||||||||||||||||||||||||||||||||||||||
|
Full load efficiency: 98%
Rated input speed: 3000min-1
Lubrication method: Synthetic grease
lubrication (long-term lubrication)
Average service life: 20000h
Return clearance: < 7 arcmin
|
|||||||||||||||||||||||||||||||||||||||||||
![ZAF060-[ ]V1-S1_00](/source/2f8aac7d981e9f1963232fc9f005f110/zaf060-v1-s1_00.png)
-

test.pdf
Download







Daniel.Ding
Ding![ZAF060-[ ]V1-S1 Gearbox | 98% Full Load Efficiency | 3000 RPM Input Speed | <7 Arcmin Return Clearance](/source/8f994685c247e90a09b754c6ce797337/zaf060-1.png)