AF090 Gear Reducer with High Torque Output
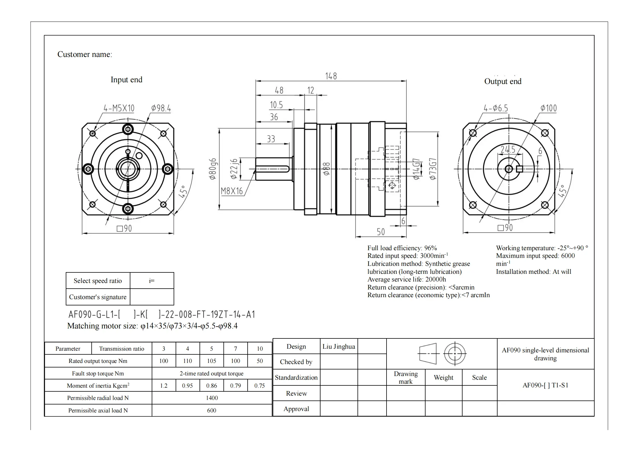
The AF090-[]T1-S1 reducer is a robust and high-performance gearbox designed to meet the demands of various applications in industrial and automation settings. Offering multiple transmission ratios of 3, 4, 5, 7, and 10, this reducer allows users to select the optimal configuration for their specific needs, ensuring flexibility and efficiency in operation.
This reducer delivers impressive rated output torque, ranging from 100 Nm at a 3:1 ratio to 110 Nm at a 4:1 ratio. The 5:1 ratio provides a torque of 105 Nm, while the 7:1 ratio maintains a torque of 100 Nm. For applications that require a higher speed with reduced torque, the 10:1 ratio offers a rated output torque of 50 Nm. This versatility makes the AF090 suitable for a wide range of applications, including robotics, conveyor systems, and precision machinery.
Engineered for reliability, the AF090 reducer is capable of handling fault stop torque up to twice the rated output torque, providing peace of mind during operation and ensuring that unexpected load conditions do not compromise performance. The moment of inertia values range from 1.2 Kg·cm² at the 3:1 ratio to 0.75 Kg·cm² at the 10:1 ratio, enabling rapid acceleration and deceleration for dynamic applications.
The reducer is built to withstand substantial loads, with a permissible radial load of 1400 N and a permissible axial load of 600 N. This capacity allows the AF090 to perform reliably even under significant stress, making it ideal for demanding industrial environments.
Constructed with high-quality materials and precision engineering, the AF090-[]T1-S1 reducer is designed for longevity and consistent performance. Its compact design makes it easy to integrate into various systems without compromising on strength.
In conclusion, the AF090 reducer is a versatile and dependable solution for those seeking high torque output and adaptability across different applications. Whether for heavy-duty machinery or precision automation, this gearbox offers the performance and reliability required for success. Enhance your systems with the AF090 reducer and experience the advantages of superior torque management and operational flexibility.
| ●Motor configuration and performance parameters | |||||||||||||||||||||||||||||||||||||||||||
|
Full load efficiency: 96%
Rated input speed: 3000min-1
Lubrication method: Synthetic grease
lubrication (long-term lubrication)
Average service life: 20000h
Return clearance (precision): <5arcmin
Return clearance (economic type):<7 arcmIn
|
|||||||||||||||||||||||||||||||||||||||||||
![AF090-[ ]T1-S1_00](/source/8a8350f8baa56b33749a341dffde4a78/af090-t1-s1_00.png)
-

test.pdf
Download







Daniel.Ding
Ding![AF090-[ ] T1-S1 Motor with 96% Efficiency, 3000 RPM Rated Speed, and <5 Arcmin Backlash](/source/611d4b680c36f07504279128775c11e1/af090-main.jpg)