get quote
Leave Your Message
Products Categories
Featured Products

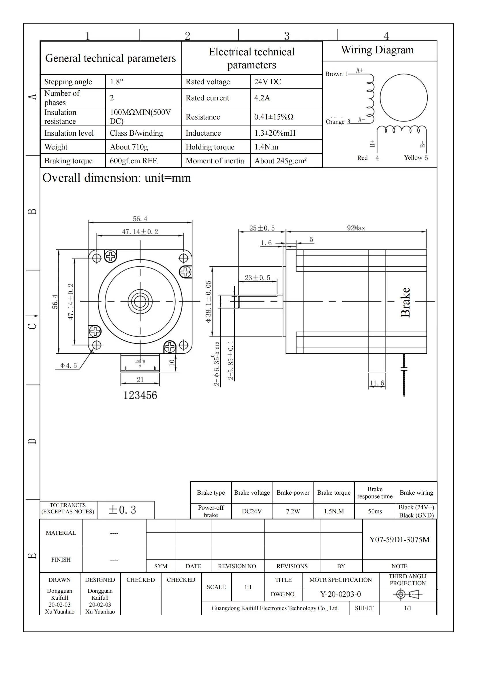
Y07-59D1-3075M Stepper Motor | 57mm Frame, 1.8° Step Angle, 4.2A Rated Current

Y07-59D1-3075M stepper motor with 1.8° step angle, 4.2A rated current, 1.4N thrust, perfect for high-power motion control in robotics and automation.

    The Y07-59D1-3075M stepper motor is a high-performance motor with a 57mm frame and 1.8° step angle, designed for precise motion control in demanding applications. With a rated current of 4.2A, a resistance of 0.41Ω, and inductance of 1.3mH, this motor provides robust performance with reliable torque output. It features a minimum thrust of 1.4N and a rotor inertia of 245g·cm², ensuring smooth and accurate movement in automation and robotics systems. The motor has a shaft diameter of 6.35mm, axis length of 25mm, and motor length of 92mm, making it suitable for medium to heavy-duty applications that require higher power and precision. Weighing just 710g, it is an ideal choice for space-efficient and high-torque applications.

    ●Motor configuration and performance parameters

    Frame size /mm

    57mm

    Model

    Y07-59D1-3075M

    Step Angle

    1.8

    Rated current /A

    4.2

    Resistance /Ω

    0.41

    Inductance /mH

    1.3

    Maintain torque /N.m
    Minimum thrust N

    1.4

    Rotor inertia /g.cm²

    245

    Number of leads

    4

    Shaft diameter

    6.35

    Axis length

    25

    Motor length /mm

    92

    Mass /g

    710

    Y07-59D1-3075M_00
    China Affordable Y07-59D1-3075M Stepper Motor | 4.2A, 57mm Frame Supplier Manufacturers | Kaifull

    SEND YOUR INQUIRY DIRECTLY TO US