get quote
Leave Your Message
Products Categories
Featured Products

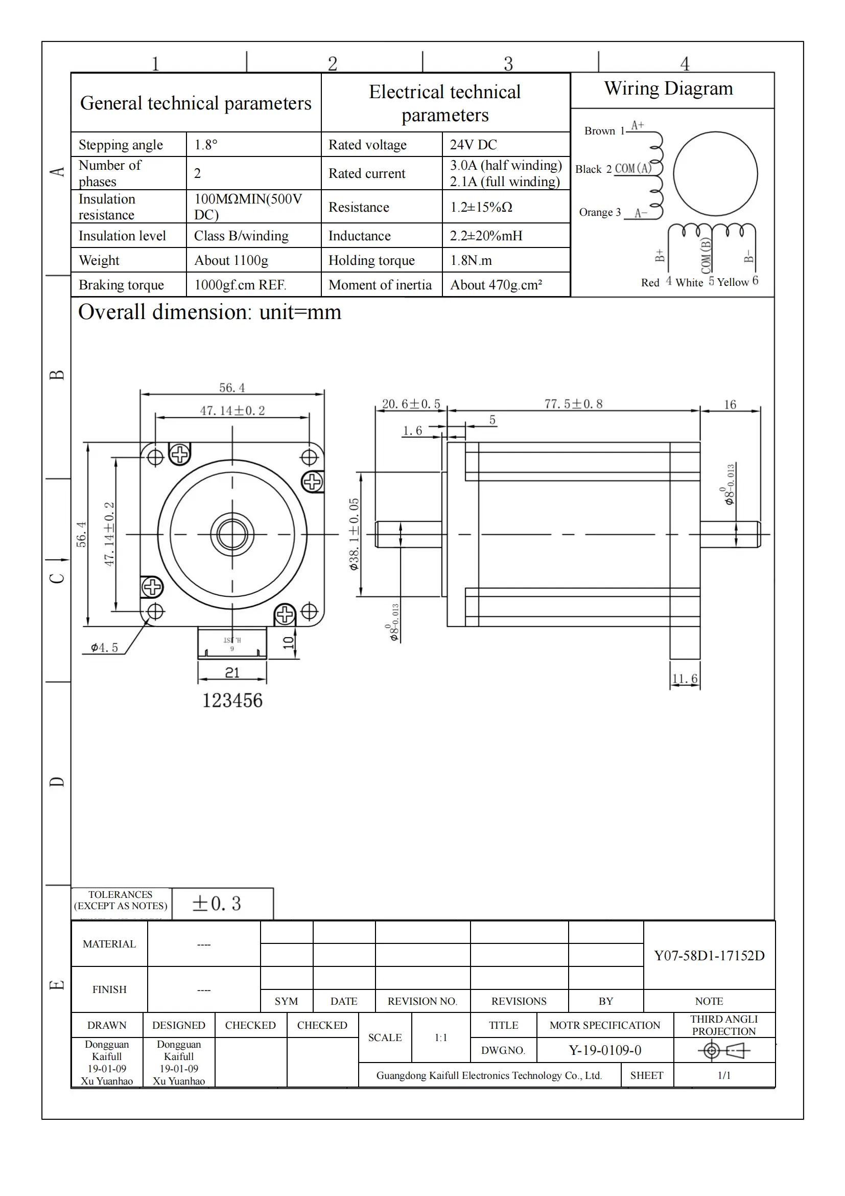
Y07-59D1-17152D Stepper Motor | 57mm Frame, 1.8° Step Angle, 3A Rated Current

Y07-59D1-17152D stepper motor with 1.8° step angle, 3A rated current (half winding), 2.4N minimum thrust, ideal for high-torque precision applications.

    The Y07-59D1-17152D stepper motor is designed for applications that require versatile performance and efficient power usage. With a 1.8° step angle, this motor offers precise movement control and high reliability. It provides a rated current of 3A (half winding) and 2.1A (full winding), with resistances of 1.2Ω (half winding) and 2.4Ω (full winding), delivering optimal torque and efficiency. The motor features a minimum thrust of 2.4N and a rotor inertia of 470g·cm², making it ideal for applications that need smooth and high-torque performance. The motor has a shaft diameter of 8mm, an axis length of 20.6mm, and a motor length of 77.5mm. Weighing 1110g, it is suitable for industrial automation, robotics, and other precision motion control tasks.

    ●Motor configuration and performance parameters

    Frame size /mm

    57mm

    Model

    Y07-59D1-17152D

    Step Angle

    1.8

    Rated current /A

    3(Half Winding)/2.1(Full Winding)

    Resistance /Ω

    1.2/2.4

    Inductance /mH

    2.2/8.8

    Maintain torque /N.m
    Minimum thrust N

    2.4

    Rotor inertia /g.cm²

    470

    Number of leads

    6

    Shaft diameter

    8

    Axis length

    20.6

    Motor length /mm

    77.5

    Mass /g

    1110

    Y07-59D1-17152D_00
    China Affordable 3A Rated Y07-59D1-17152D Stepper Motor | 57mm Frame Suppliers Manufacturers | Kaifull

    SEND YOUR INQUIRY DIRECTLY TO US