Guangdong Kaifu Electronic Technology Co., Ltd. launched S42D110A series of gear motors, setting a new benchmark for high-precision motion control
2024-09-12
Guangdong Kaifu Electronic Technology Co., Ltd. recently officially launched its latest S42D110A series gear motor. This series of products with its excellent performance and precision control technology, quickly attracted wide attention in the market.
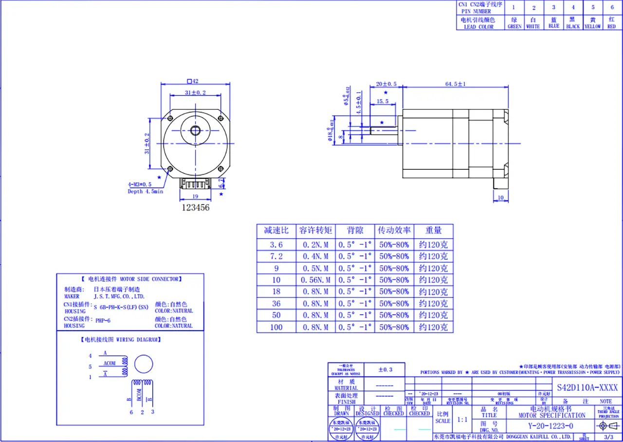
The S42D110A series of gear motors are designed to meet the stringent requirements of modern industry for high-precision Motion Control. This series of products has a very low backlash, only 0.5° to 1°, which makes it far more accurate than similar products in positioning. In addition, the S42D110A motor also has excellent load capacity, with an axial allowable load of 10N and a radial allowable load of 25N, ensuring stable operation under high load conditions.
The new product launches further expand Kaifu's motion control product line and demonstrate the company's deep strength in technology research and development. The introduction of the S42D110A series of gear motors not only provides a more advanced solution for industrial automation equipment manufacturers, but also marks a solid step for Kaifu Electronics in the field of high-precision motion control.
CEO of Kaifu Electronics Technology Co., Ltd. said at the press conference: "We have always been committed to providing customers with the best quality motion control products, and the release of the S42D110A series of gear motors is another result of our insistence on technological innovation and excellence. We believe that this product will bring significant improvements to automation equipment in various industries."
With its high precision and high reliability, the S42D110A series of gear motors are widely used in various industrial automation fields, including precision machinery, automated assembly lines, medical equipment, etc. With the launch of this new product, Kaifu Electronics is looking forward to further consolidating its leading position in domestic and foreign markets.








Daniel.Ding
Ding









