YKW85R-15V1 Rotary Platform with V1 Motor Interface
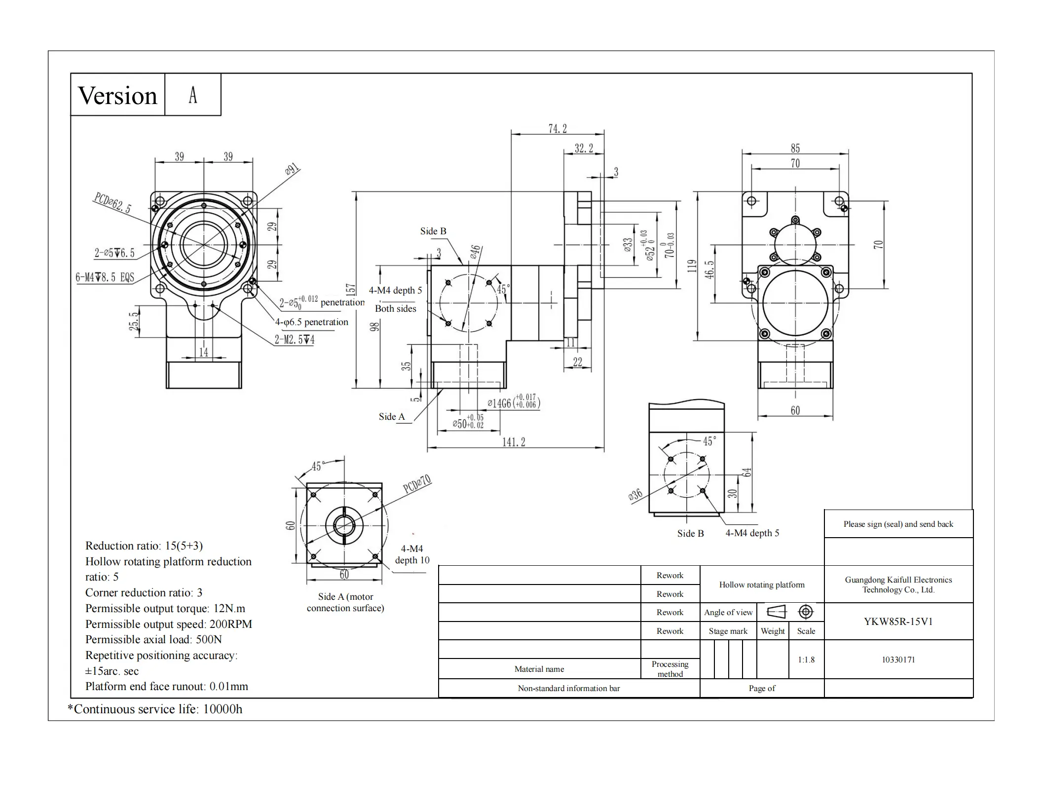
The YKW85R-15V1 rotary platform is a robust and precise motion control solution for industrial automation. It delivers a torque capacity of 20 N·m with a reduction ratio of 15, enabling smooth and fast disk rotations up to 720°/sec. Designed to handle axial loads of 30 kg and radial forces of 20 N·m, this platform ensures reliable performance under demanding conditions. With a positioning accuracy of 8 arc-min and repetitive positioning accuracy of ≤±30 arc-sec, it supports high-precision operations essential for applications such as robotics, manufacturing, and automated assembly. The V1 motor interface features a diameter of ф14, a pitch circle diameter (PCD) of ф70, and M4 mounting threads for seamless integration. Weighing 2.5 kg, the YKW85R-15V1 is built to an IP40 ingress protection standard and offers an accuracy lifespan of over 15,000 cycles under intermittent operation, making it a durable and versatile choice for your motion control needs.











| ●Motor configuration and performance parameters | |||||||||||||||||||||||||
|
|||||||||||||||||||||||||








Daniel.Ding
Ding

