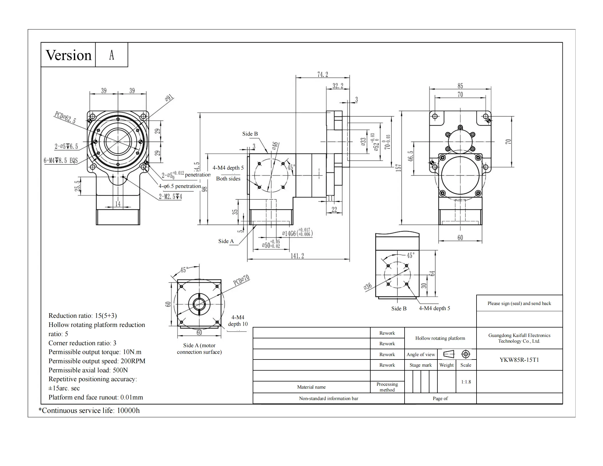
YKW85R-15T1 Rotary Platform with T1 Motor Interface
The YKW85R-15T1 rotary platform is tailored for applications demanding precise motion control and robust mechanical design. It features an allowable torque of 20 N·m and a reduction ratio of 15, enabling high-speed disk rotation up to 720°/sec with exceptional reliability. Its ability to support an axial load of 30 kg and a radial force of 20 N·m underscores its suitability for industrial-grade tasks. This platform boasts a positioning accuracy of 8 arc-min and repetitive positioning accuracy of ≤±30 arc-sec, delivering dependable performance for repetitive operations. Equipped with a T1 motor interface, it incorporates a diameter of ф8, a pitch circle diameter (PCD) of ф66.67, and M4 mounting points, ensuring seamless integration into existing systems. With a mass of 2.5 kg and an IP40 rating, it guarantees a long accuracy lifespan of over 15,000 cycles under intermittent operation. The YKW85R-15T1 is the optimal choice for robotics, automation, and other demanding industrial settings.











| ●Motor configuration and performance parameters | |||||||||||||||||||||||||
|
|||||||||||||||||||||||||








Daniel.Ding
Ding

