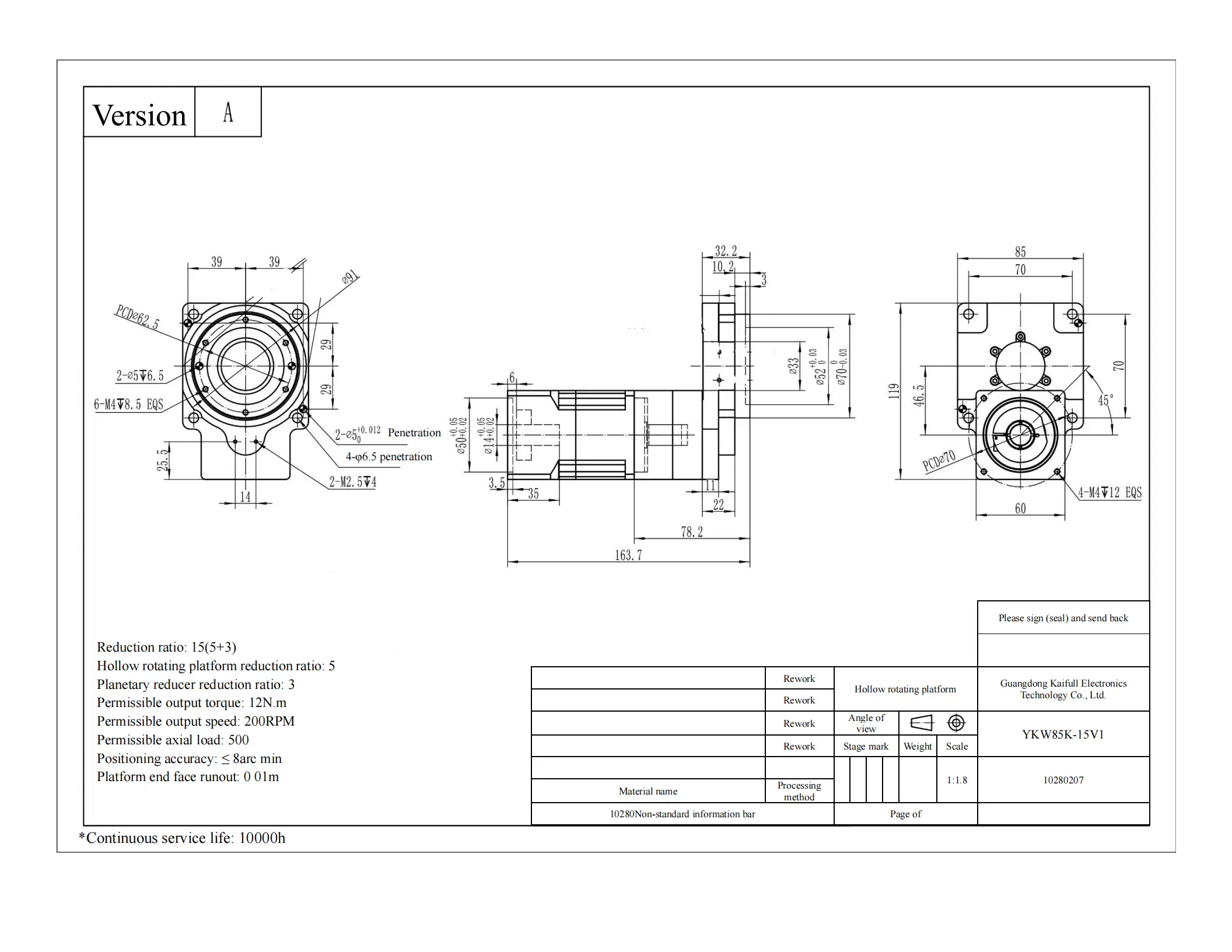
YKW85K-15V1 Rotary Platform with 20 N·m Torque and V1 Motor Interface
The YKW85K-15V1 rotary platform delivers superior performance with a robust design tailored for high-precision industrial applications. With an allowable torque of 20 N·m and a reduction ratio of 15, it accommodates axial loads up to 30 kg and radial forces of 20 N·m. The platform ensures accuracy with a positioning precision of 8 arc-min and a repetitive positioning accuracy of ≤±30 arc-sec, ideal for demanding tasks requiring consistent precision. Its operational life exceeds 15,000 cycles during intermittent use, reflecting its reliability and endurance. Featuring a V1 motor interface (ф14 diameter, PCD ф70, and M4 mounting), the YKW85K-15V1 integrates seamlessly into various systems. Weighing 2.5 kg, it balances robust construction with versatile functionality, perfect for modern automation needs.











| ●Motor configuration and performance parameters | |||||||||||||||||||||||||
|
|||||||||||||||||||||||||








Daniel.Ding
Ding

