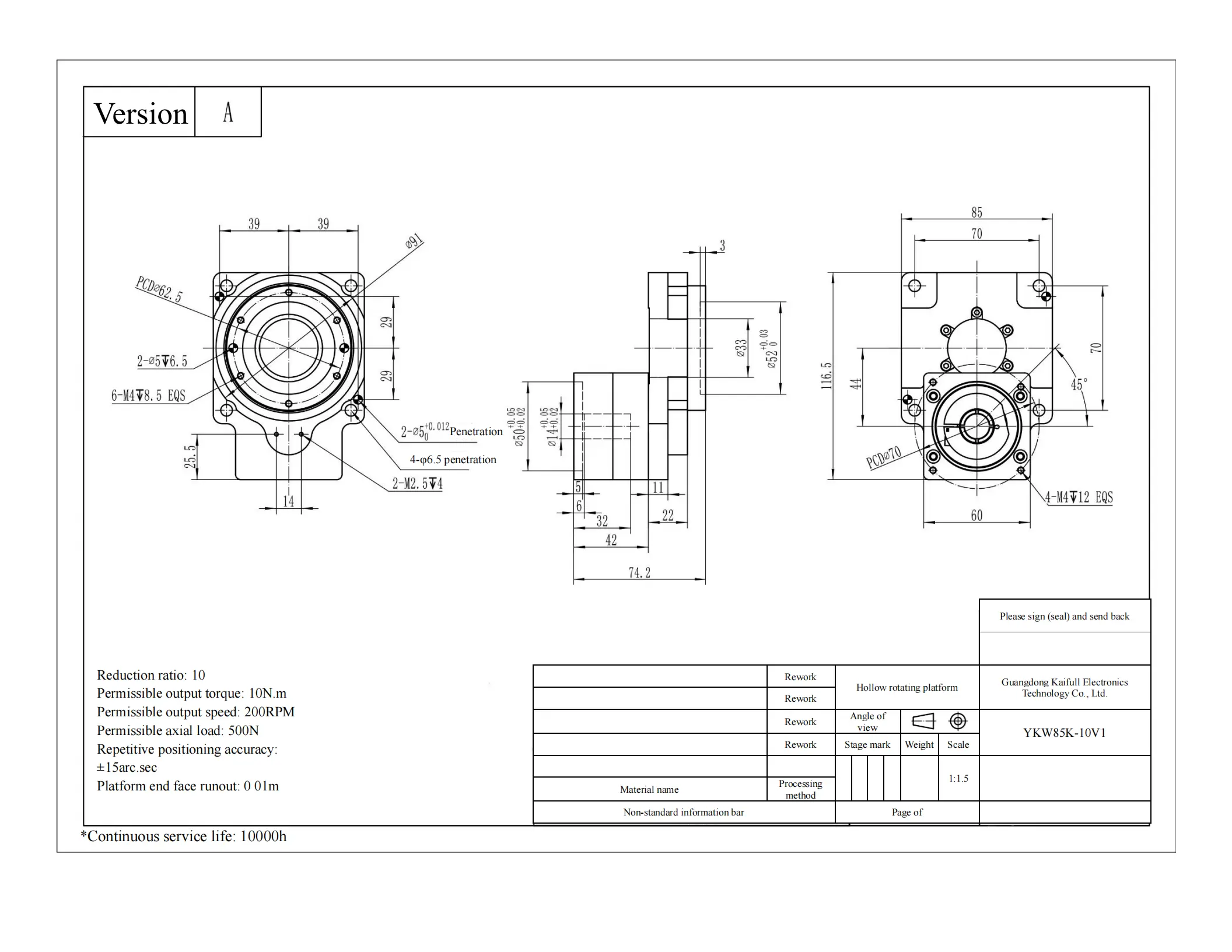
YKW85K-10V1 Precision Rotary Platform with 10 N·m Torque
The YKW85K-10V1 rotary platform is crafted for high-precision industrial applications, featuring a 10 N·m allowable torque and a reduction ratio of 10. It supports an axial load of up to 30 kg and a radial force of 20 N·m, ensuring reliability in demanding environments. With a positioning accuracy of 3 arc-min and repetitive positioning accuracy of ≤±15 arc-sec, this platform guarantees consistent and precise operations. Designed for longevity, it offers an accuracy life of over 15,000 cycles during intermittent use. The V1 motor configuration includes a ф14 interface, a PCD of ф70, and M4 mounting, enabling seamless integration into diverse systems.











| ●Motor configuration and performance parameters | |||||||||||||||||||||||||
|
|||||||||||||||||||||||||








Daniel.Ding
Ding

