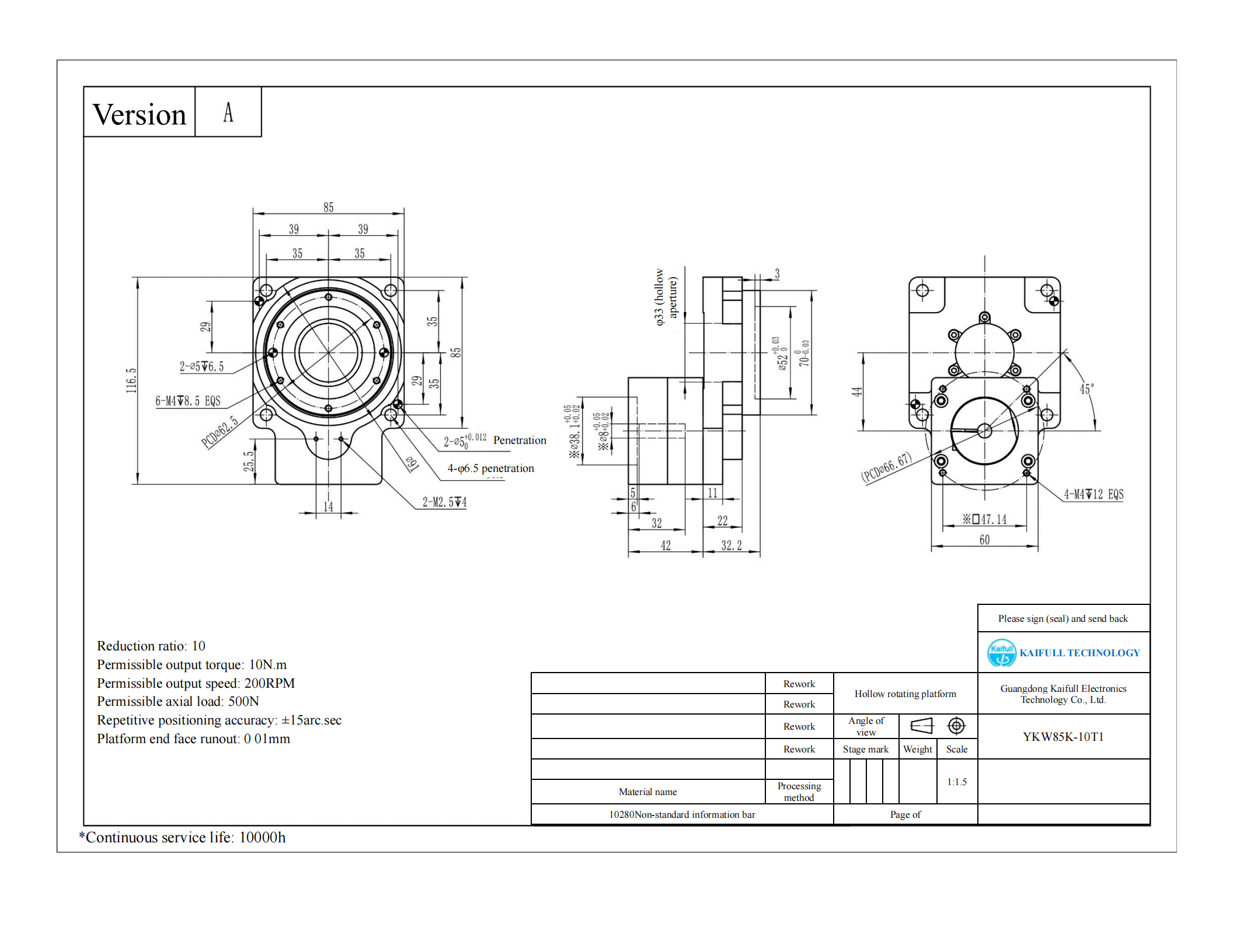
YKW85K-10T1 Precision Rotary Platform
The YKW85K-10T1 rotary platform delivers high precision and reliability for industrial automation. With a reduction ratio of 10 and an allowable torque of 10 N·m, it ensures smooth and controlled operation for various tasks. The platform is built to handle axial loads up to 30 kg and radial forces of 20 N·m, supporting demanding applications with ease. Its 3 arc-min positioning accuracy and ≤±15 arc-sec repetitive accuracy make it suitable for precision-intensive environments. Designed for durability, it boasts an accuracy life of over 15,000 cycles in intermittent operation. The T1 specification features a ф8 interface, a PCD of ф66.67, and M4 mounting for compatibility with diverse setups.











| ●Motor configuration and performance parameters | |||||||||||||||||||||||||
|
|||||||||||||||||||||||||








Daniel.Ding
Ding

