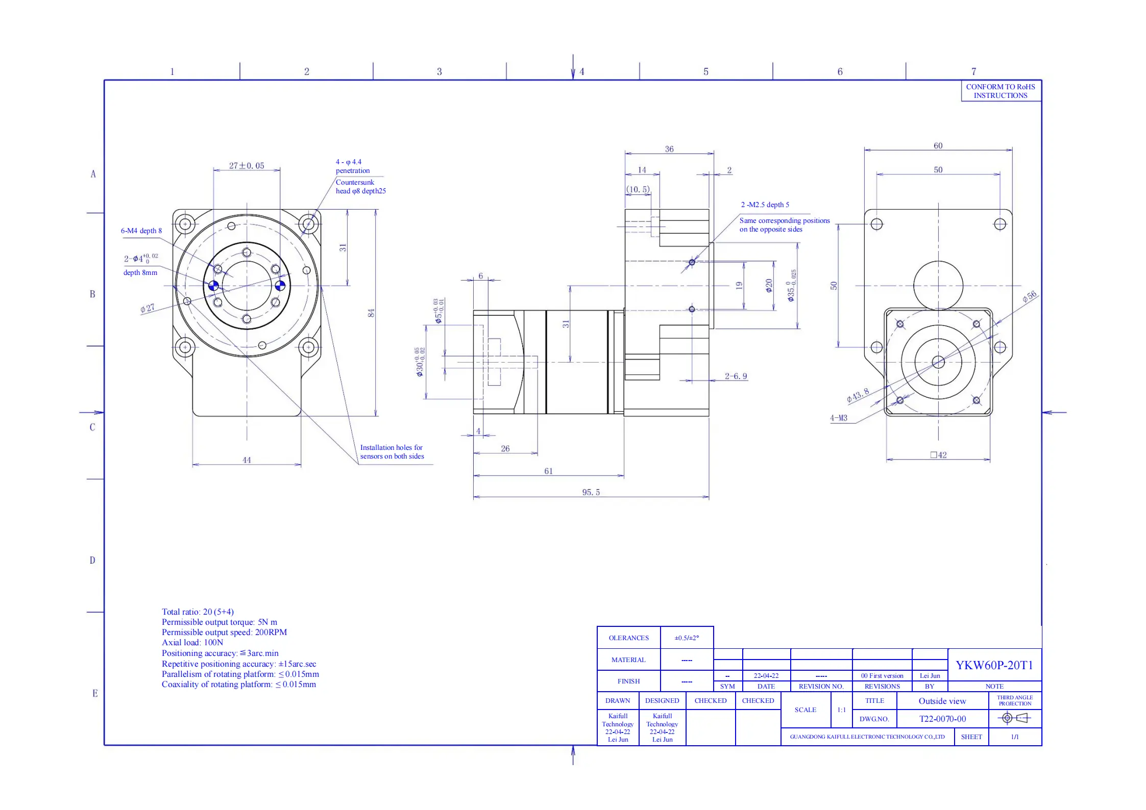
YKW60P-20T1 High-Precision Hollow Rotary Platform with 20:1 Ratio
The YKW60P-20T1 hollow rotary platform is engineered for high-torque, high-precision applications in the automation and manufacturing sectors. With an allowable torque of 5 N.m and support for axial loads up to 10 kg, this rotary platform is perfect for demanding industrial environments. It offers a 20:1 reduction ratio, providing excellent control over positioning with a positioning accuracy of 5 arc-min. The platform ensures consistent performance with a repetitive positioning accuracy of ≤±20 arc-sec, making it ideal for use in systems where precision is critical.
Capable of disk rotation speeds up to 720° per second, the YKW60P-20T1 combines high speed and accuracy, allowing it to meet the needs of fast-paced automation processes. Its longevity is also a key feature, with an accuracy lifespan of over 15,000 cycles in intermittent operation. This ensures sustained high-performance in extended use cases.
Built with a compact yet robust design, the platform is IP40-rated for protection against dust and other particles, increasing its durability. Weighing 1.5 kg, it is suitable for a variety of setups and allows for easy integration into complex mechanical systems, thanks to its hollow design. This facilitates the passage of cables and additional components, making it adaptable for various automation needs.











| ●Motor configuration and performance parameters | |||||||||||||||||||||||||
|
|||||||||||||||||||||||||

-

YKW60P-20T1.PDF
Download







Daniel.Ding
Ding