01
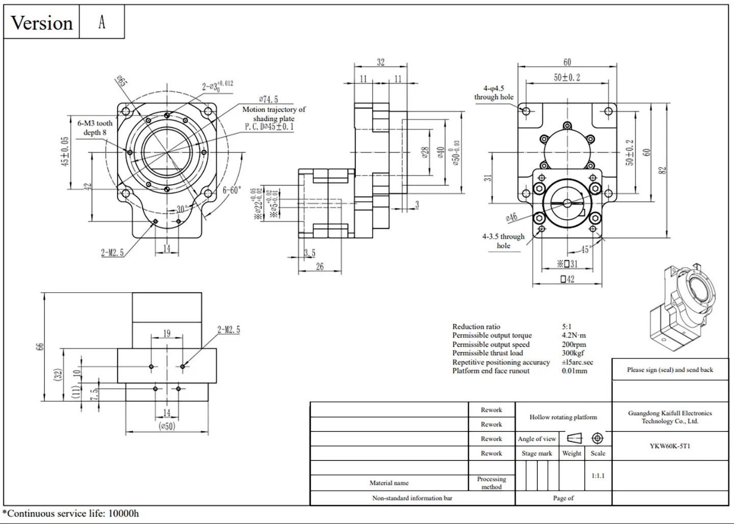
YKW60K-5T1 model motorized rotary stage
The YKW60K-5T1 is a precision mechanical component designed for applications requiring high torque and precise motion control. Here’s a detailed overview of its features:
Key Features:
1. Reduction Ratio:** The YKW60K-5T1 offers a reduction ratio of 5:1. This means that the output speed of the unit is reduced by a factor of 5 compared to the input speed. This reduction ratio is crucial for applications requiring high torque at lower speeds, providing enhanced control and power management.
2. Permissible Output Torque:** With a permissible output torque of 4.2 N·m (Newton-meters), the YKW60K-5T1 is capable of handling substantial forces, making it suitable for tasks that require significant rotational force. This feature is essential for driving heavy loads or high-resistance components.
3. Permissible Output Speed:** The unit can achieve an output speed of up to 200 RPM (Revolutions Per Minute). This relatively low speed ensures high precision and control, which is vital in applications where fine adjustments and accuracy are required.
4. Permissible Thrust Load: The YKW60K-5T1 can handle a permissible thrust load of 300 kgf (kilogram-force). This high thrust capacity indicates the unit’s robustness and ability to support substantial axial forces, making it suitable for high-load applications.
5. Repetitive Positioning Accuracy:** It boasts a repetitive positioning accuracy of ±15 arc seconds. This level of precision is critical for applications requiring exact positioning and movement, such as in CNC machines, robotics, and other high-precision equipment.
6. Platform End Face Runout:** The platform end face runout of 0.01 mm ensures minimal deviation from the desired position. This low runout value contributes to the unit’s overall accuracy and reliability, reducing errors and improving the consistency of operations.
7. Application and Use: The YKW60K-5T1 is ideal for applications in which high torque and precise motion control are necessary. Its reduction ratio, output torque, and speed capabilities make it suitable for use in industrial automation, robotics, CNC machinery, and precision positioning systems. The high permissible thrust load and excellent positioning accuracy further enhance its suitability for demanding applications where reliability and exactitude are paramount.
In summary, the YKW60K-5T1 combines robust torque handling, high precision, and substantial thrust capacity, making it a versatile choice for applications that demand both strength and accuracy. Its features ensure reliable performance in various high-load and high-precision scenarios, contributing to the efficiency and effectiveness of complex mechanical systems.
Key Features:
1. Reduction Ratio:** The YKW60K-5T1 offers a reduction ratio of 5:1. This means that the output speed of the unit is reduced by a factor of 5 compared to the input speed. This reduction ratio is crucial for applications requiring high torque at lower speeds, providing enhanced control and power management.
2. Permissible Output Torque:** With a permissible output torque of 4.2 N·m (Newton-meters), the YKW60K-5T1 is capable of handling substantial forces, making it suitable for tasks that require significant rotational force. This feature is essential for driving heavy loads or high-resistance components.
3. Permissible Output Speed:** The unit can achieve an output speed of up to 200 RPM (Revolutions Per Minute). This relatively low speed ensures high precision and control, which is vital in applications where fine adjustments and accuracy are required.
4. Permissible Thrust Load: The YKW60K-5T1 can handle a permissible thrust load of 300 kgf (kilogram-force). This high thrust capacity indicates the unit’s robustness and ability to support substantial axial forces, making it suitable for high-load applications.
5. Repetitive Positioning Accuracy:** It boasts a repetitive positioning accuracy of ±15 arc seconds. This level of precision is critical for applications requiring exact positioning and movement, such as in CNC machines, robotics, and other high-precision equipment.
6. Platform End Face Runout:** The platform end face runout of 0.01 mm ensures minimal deviation from the desired position. This low runout value contributes to the unit’s overall accuracy and reliability, reducing errors and improving the consistency of operations.
7. Application and Use: The YKW60K-5T1 is ideal for applications in which high torque and precise motion control are necessary. Its reduction ratio, output torque, and speed capabilities make it suitable for use in industrial automation, robotics, CNC machinery, and precision positioning systems. The high permissible thrust load and excellent positioning accuracy further enhance its suitability for demanding applications where reliability and exactitude are paramount.
In summary, the YKW60K-5T1 combines robust torque handling, high precision, and substantial thrust capacity, making it a versatile choice for applications that demand both strength and accuracy. Its features ensure reliable performance in various high-load and high-precision scenarios, contributing to the efficiency and effectiveness of complex mechanical systems.











Model/Specification
YKW60K-5T1
Allowable torque N•m
5
Allowable axial load (Ka)kg
10
Allowable radial force (Fr)N•m
5
Allowable disk Rotation speed
720°/sec
Reduction ratio i
5
Positioning accuracy
3arc-min
Repetitive positioning accuracy
≤±15arc-sec
Accuracy life(intermittent operation)
≥15000
IP(Ingress Protection)
IP40
Mass kg
0.6
Motor specification
T1:ф=ф5、PCD:=PCDф43.8、M=M3
Model/Specification |
YKW60K-5T1 |
Allowable torque N•m |
5 |
Allowable axial load (Ka)kg |
10 |
Allowable radial force (Fr)N•m |
5 |
Allowable disk Rotation speed |
720°/sec |
Reduction ratio i |
5 |
Positioning accuracy |
3arc-min |
Repetitive positioning accuracy |
≤±15arc-sec |
Accuracy life(intermittent operation) |
≥15000 |
IP(Ingress Protection) |
IP40 |
Mass kg |
0.6 |
Motor specification |
T1:ф=ф5、PCD:=PCDф43.8、M=M3 |








Daniel.Ding
Ding


