YKW60K-10V1 Precision Rotary Platform with Reliable Performance
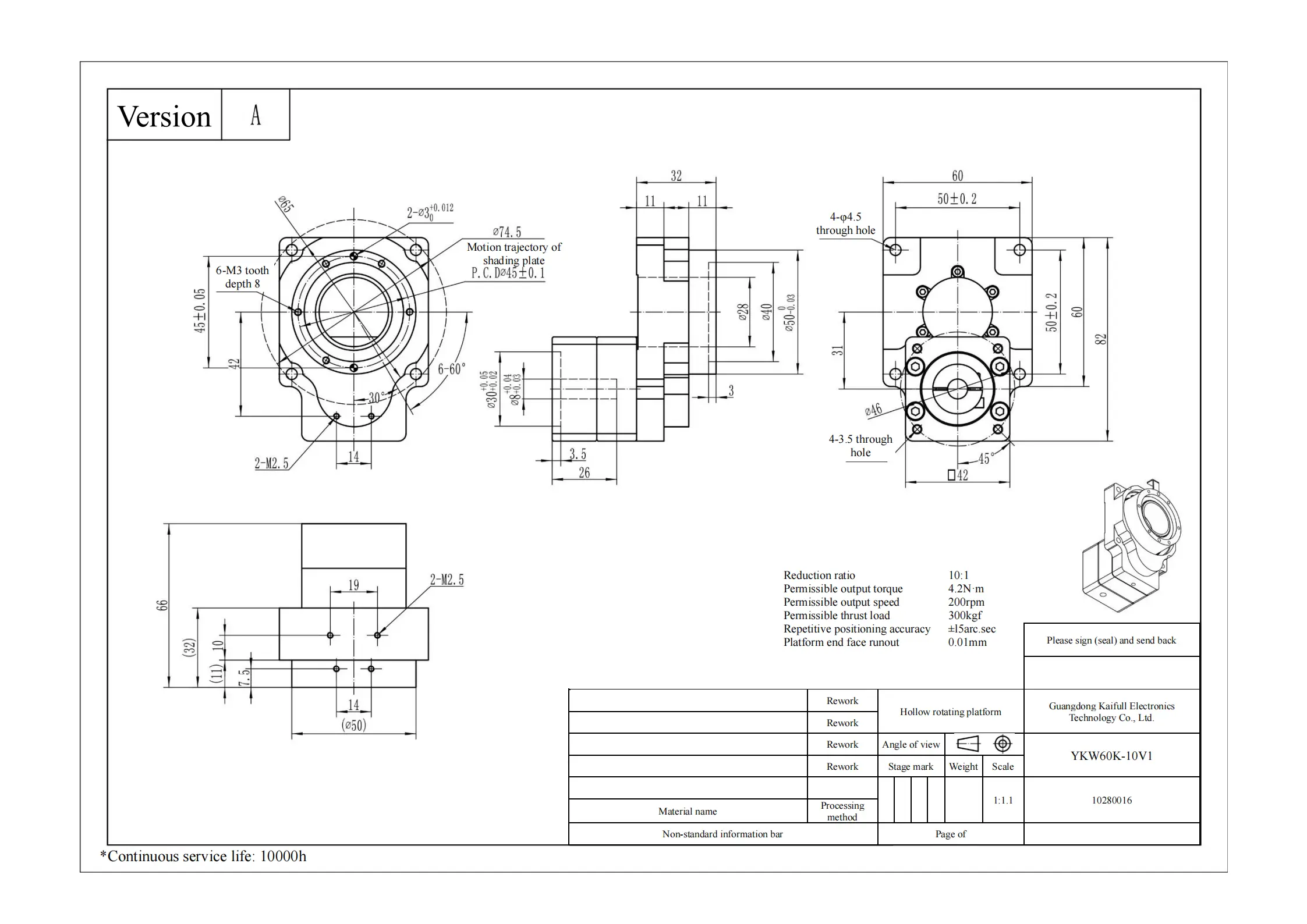
The YKW60K-10V1 rotary platform is designed to provide high precision and reliable performance for a variety of industrial applications. With an allowable torque of 5 N·m, it can handle an axial load of up to 10 kg, making it suitable for applications requiring both strength and stability. Additionally, it supports a radial force of 5 N·m, ensuring optimal performance under demanding conditions.
This platform features a reduction ratio of 10:1, allowing for disk rotation speeds of up to 720° per second. This capability is crucial for applications that require fast and accurate positioning, significantly enhancing operational efficiency.
Precision is a hallmark of the YKW60K-10V1, with a positioning accuracy of 3 arc-min and a repetitive positioning accuracy of ≤±15 arc-sec. Such accuracy is essential for tasks that involve intricate movements and adjustments, making this platform an excellent choice for automation and robotics.
The YKW60K-10V1 is engineered for longevity, with an impressive accuracy life of over 15,000 cycles during intermittent operation. It boasts an IP40 ingress protection rating, safeguarding it against dust and debris, which extends its usability in various environments.
Weighing only 0.6 kg, this rotary platform integrates seamlessly with V1 motor specifications (ф=ф8, PCD=PCDф45, M=M3), offering a lightweight yet robust solution for precise control applications.
The YKW60K-10V1 rotary platform is the ideal choice for industries that prioritize precision and efficiency, making it a versatile tool in any operational setup.











| ●Motor configuration and performance parameters | |||||||||||||||||||||||||
|
|||||||||||||||||||||||||








Daniel.Ding
Ding

