YKW60K-10T1 Compact Rotary Platform with High Precision
The YKW60K-10T1 is a compact and highly efficient rotary platform designed for precision applications in various industrial environments. With an allowable torque of 5 N.m, this platform is capable of handling an axial load of up to 10 kg, ensuring reliability and strength in its performance. The platform also accommodates a radial force of 5 N.m, making it versatile for diverse operational needs.
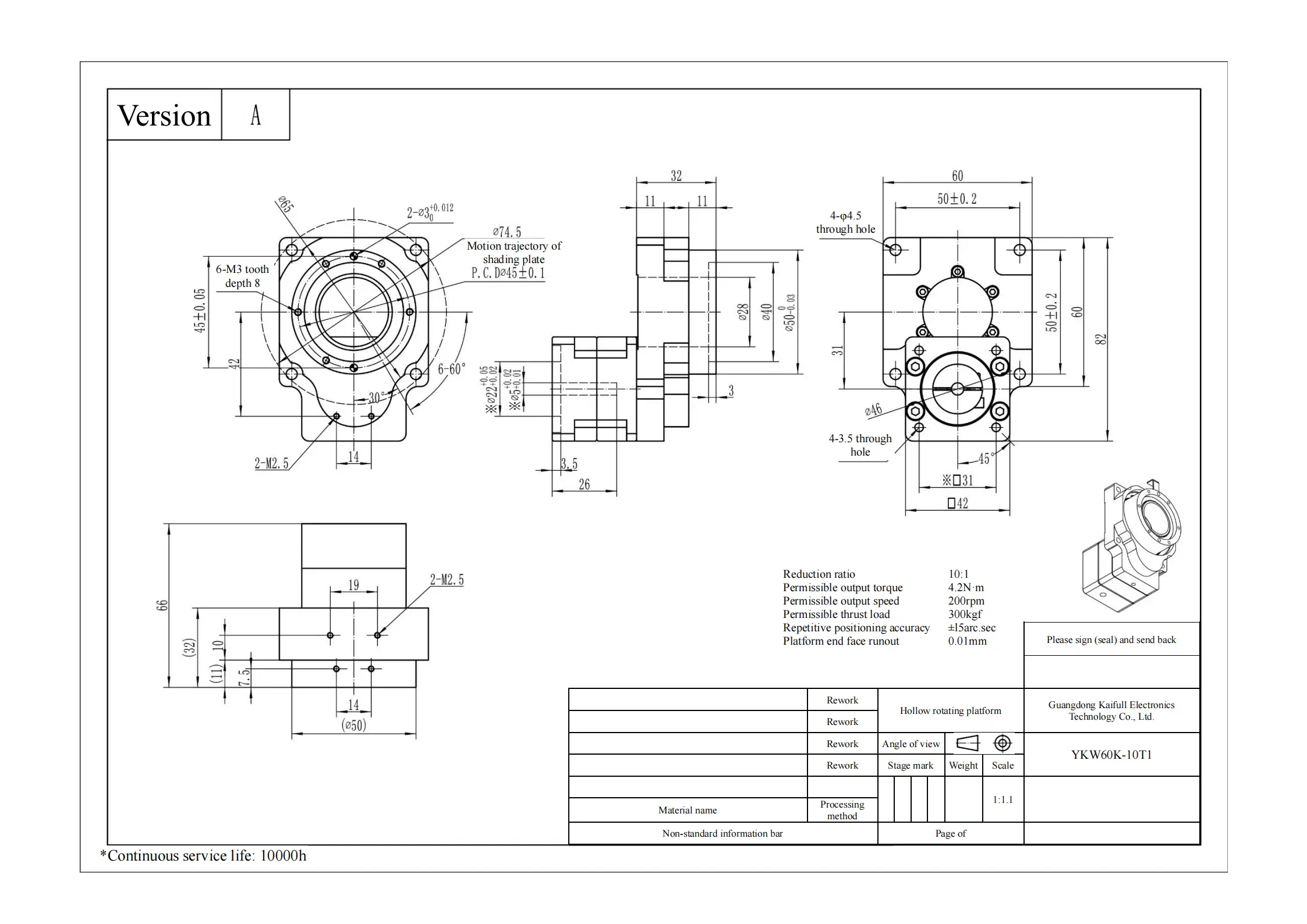
Featuring a reduction ratio of 10:1, the YKW60K-10T1 delivers exceptional control over motion, allowing for rapid disk rotation speeds of up to 720° per second. This capability makes it ideal for applications that require quick response times and efficient operation.
Precision is a hallmark of the YKW60K-10T1, which provides a positioning accuracy of 3 arc-min and a repetitive positioning accuracy of ≤±15 arc-sec. Such accuracy is crucial for tasks that demand meticulous movement and alignment.
Built to withstand rigorous usage, the YKW60K-10T1 boasts an impressive accuracy life of over 15,000 cycles during intermittent operation. Its IP40 ingress protection rating ensures that the platform remains effective in environments where dust and debris might pose a risk.
Weighing just 0.6 kg, the YKW60K-10T1 integrates seamlessly with T1 motor specifications (ф=ф5, PCD=PCDф43.8, M=M3), making it an optimal choice for users seeking high performance in a lightweight package.
Whether used in automation, robotics, or other precision-demanding tasks, the YKW60K-10T1 rotary platform stands out for its reliability, accuracy, and efficiency.











| ●Motor configuration and performance parameters | |||||||||||||||||||||||||
|
|||||||||||||||||||||||||








Daniel.Ding
Ding

