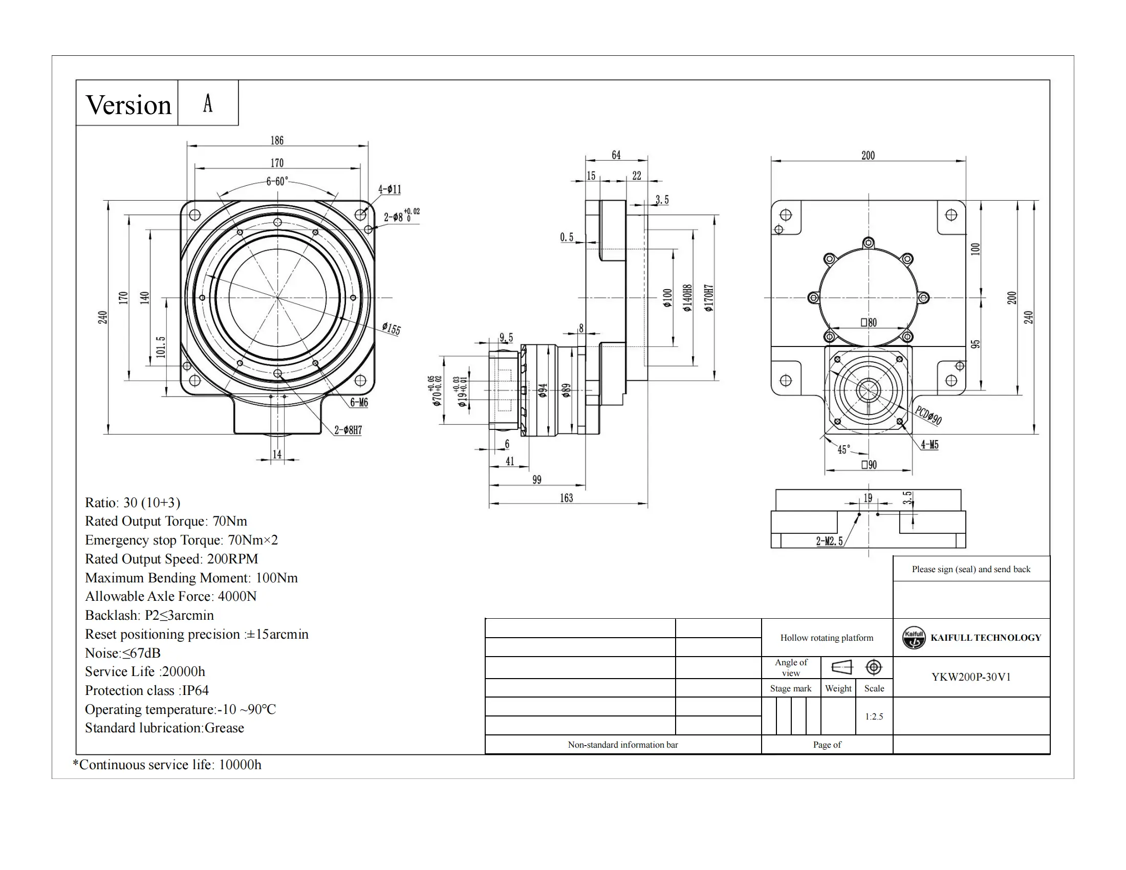
YKW200P-30V1 Rotary Platform with 80 N·m Torque
The YKW200P-30V1 rotary platform is a high-precision solution designed for demanding industrial applications. With an allowable torque of 80 N·m, it can handle axial loads of up to 200 kg and radial forces of 80 N·m, making it ideal for robust and accurate motion control tasks.
The platform features a 30:1 reduction ratio and a rapid disk rotation speed of 720°/sec, ensuring efficiency and performance. Its positioning accuracy of 5 arc-min and repetitive positioning accuracy of ≤±20 arc-sec deliver the precision required for critical operations. Built for durability, the YKW200P-30V1 offers an exceptional accuracy lifespan exceeding 20,000 cycles during intermittent use.
Weighing 15 kg, this rotary platform incorporates a V1 motor interface with a 19mm shaft diameter, a PCD of ф90, and M5 mounting threads for secure and versatile integration. Rated IP40, it provides adequate protection for controlled environments in industries such as manufacturing, robotics, and automation.
The YKW200P-30V1 is a reliable and efficient choice for enhancing operational accuracy and performance in industrial settings.
| ●Motor configuration and performance parameters | |||||||||||||||||||||||||
|
|||||||||||||||||||||||||

-

YKW200P-30V1.PDF
Download







Daniel.Ding
Ding