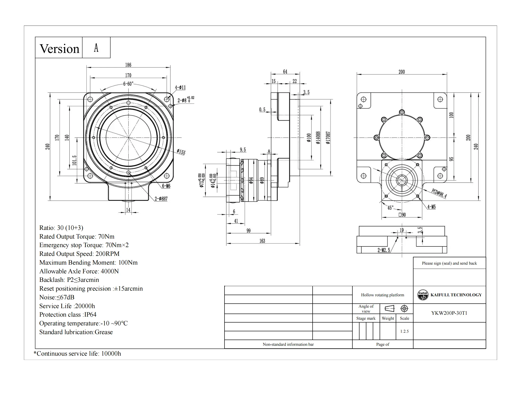
YKW200P-30T1 Precision Rotary Platform with 80 N·m Torque
The YKW200P-30T1 rotary platform delivers exceptional precision and durability, making it an ideal choice for industrial applications requiring robust and accurate motion control. With an allowable torque of 80 N·m, it supports axial loads up to 200 kg and radial forces of 80 N·m, ensuring reliable performance in demanding environments.
Featuring a 30:1 reduction ratio and a high disk rotation speed of 720°/sec, the platform enables smooth and efficient operation. It boasts a positioning accuracy of 5 arc-min and a repetitive positioning accuracy of ≤±20 arc-sec, ensuring consistency in precision-critical tasks. Designed for longevity, it offers an impressive accuracy lifespan of over 20,000 cycles under intermittent conditions.
Weighing 15 kg, the YKW200P-30T1 is engineered with compatibility in mind, incorporating a T1 motor interface with a 14mm shaft diameter, a PCD of ф98.4, and M4 mounting threads. The IP40 rating provides ingress protection suitable for controlled industrial settings.
Whether in automation, robotics, or manufacturing, this rotary platform is a reliable solution for enhancing operational efficiency and achieving precise motion control.
| ●Motor configuration and performance parameters | |||||||||||||||||||||||||
|
|||||||||||||||||||||||||

-

YKW200P-30T1.PDF
Download







Daniel.Ding
Ding