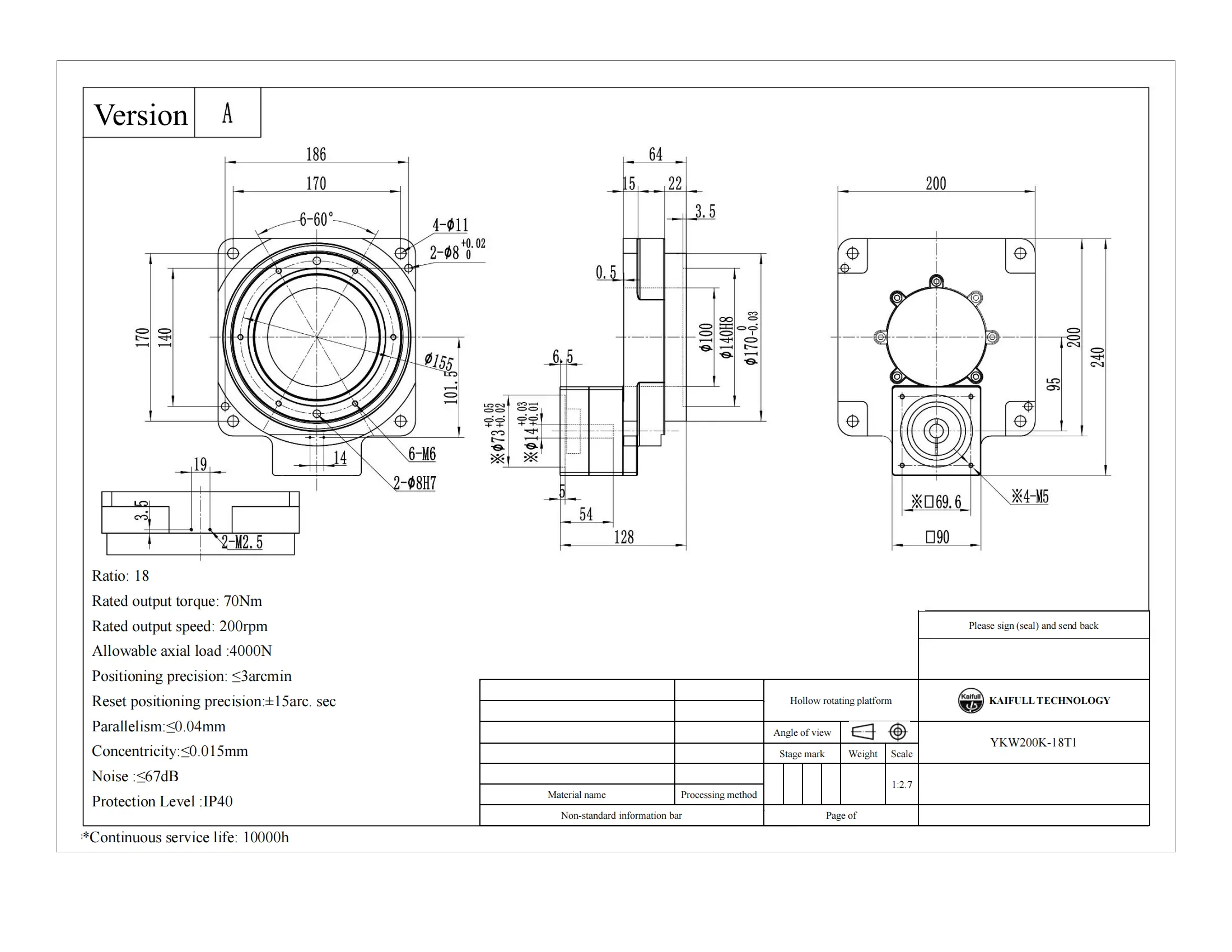
YKW200K-18T1 Precision Hollow Rotary Platform with 18:1 Reduction and High Load Capacity
The YKW200K-18T1 hollow rotary platform is engineered for demanding industrial applications requiring precision, high torque, and reliable performance. Designed with an 18:1 reduction ratio, it delivers an allowable torque of 50 N.m, making it perfect for applications that need controlled power in operations such as robotics, CNC machinery, and automated systems. Its design supports a high axial load of up to 200 kg and radial force of 80 N.m, providing the strength required for heavy-duty operations.
With a maximum disk rotation speed of 720° per second, this rotary platform ensures quick and efficient movement while maintaining exceptional precision. It offers positioning accuracy of 3 arc-min and repetitive positioning accuracy of ≤±15 arc-sec, ensuring accuracy over extended operational periods. The YKW200K-18T1 is built for longevity, with an accuracy life exceeding 15,000 cycles under intermittent operation.
Weighing 10 kg, this rotary platform is protected with an IP40-rated enclosure, which offers solid protection against dust, enhancing its durability in various industrial settings. It supports T1 motor specifications, with a motor mounting interface designed for a shaft diameter of ф14, PCD of ф98.4, and M4 mounting bolts, ensuring compatibility with a range of motor types.
Ideal for precision machinery, robotic arms, and automation systems, the YKW200K-18T1 ensures smooth, reliable, and precise performance in the most challenging environments.
| ●Motor configuration and performance parameters | |||||||||||||||||||||||||
|
|||||||||||||||||||||||||








Daniel.Ding
Ding

