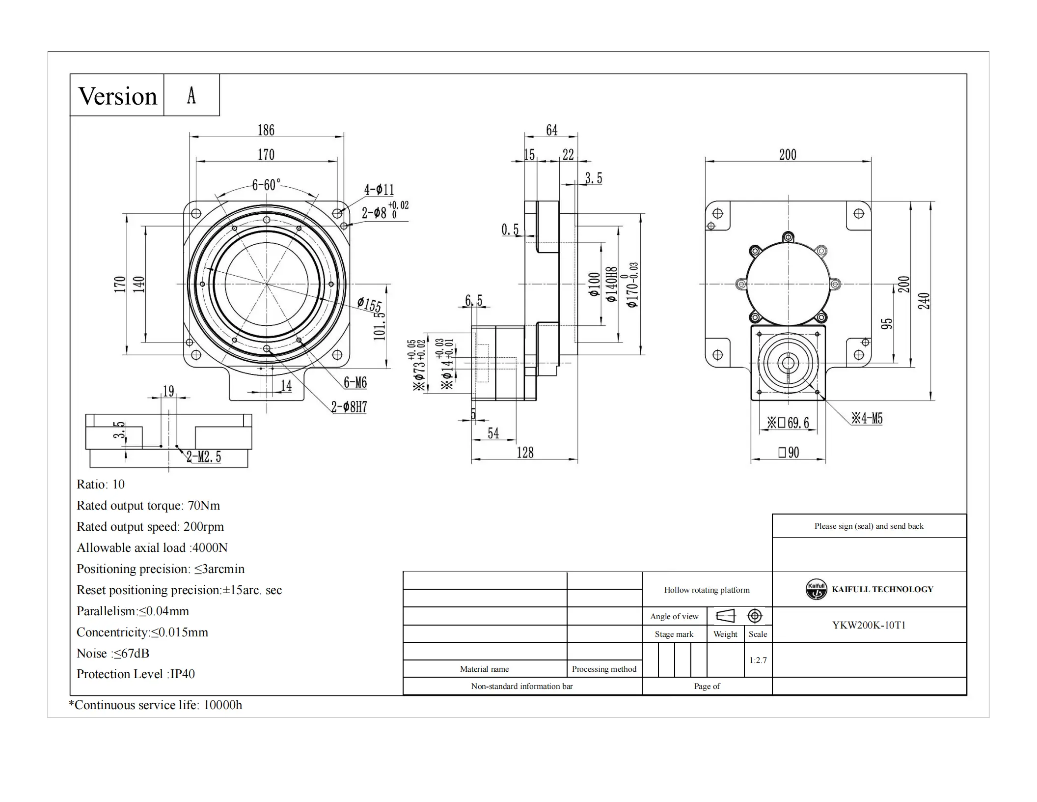
YKW200K-10T1 Hollow Rotating Platform with 10:1 Ratio
The YKW200K-10T1 hollow rotating platform is a robust and precise solution for demanding industrial applications, offering advanced rotational control with a 10:1 reduction ratio. With a rated output torque of 70Nm and a maximum output speed of 200 RPM, this platform ensures optimal performance in high-torque, high-speed tasks. The YKW200K-10T1 is designed to handle significant axial loads, supporting up to 4000N, making it ideal for heavy-duty automation, robotics, and machinery applications.
Precision is a key feature of this rotating platform, with a positioning accuracy of ≤3 arc minutes and a reset positioning precision of ±15 arc seconds. These specifications ensure reliable repeatability, making the YKW200K-10T1 an excellent choice for applications requiring high degrees of accuracy, such as robotic arms, precision assembly lines, and other automated systems. The platform's hollow design allows for easy integration of cables, hoses, or other components through the center, adding to its flexibility in system configurations.
The YKW200K-10T1 also boasts excellent build quality, with parallelism of ≤0.04mm and concentricity of ≤0.015mm, ensuring smooth and precise rotational movement. The noise level of the platform is kept at a low ≤67dB, allowing it to operate quietly even in environments where noise reduction is essential. Additionally, the platform offers IP40 protection, safeguarding it from dust and ensuring reliable operation in controlled environments.
Durability is another highlight of the YKW200K-10T1, with a continuous service life of 10,000 hours. This long service life reduces maintenance needs, ensuring that the platform remains reliable over extended periods of use. Manufactured by Kaifull Technology, this platform is designed for industrial environments that require consistent, high-performance rotational motion control.
In summary, the YKW200K-10T1 is an ideal choice for industries that require precise, heavy-duty rotational platforms. With its high torque capacity, excellent positioning accuracy, and durable construction, it provides the reliability and precision needed for complex automation systems, robotics, and heavy machinery applications.
| ●Motor configuration and performance parameters | |||||||||||||||||||||||||
|
|||||||||||||||||||||||||

-

YKW200K-10T1.pdf
Download







Daniel.Ding
Ding