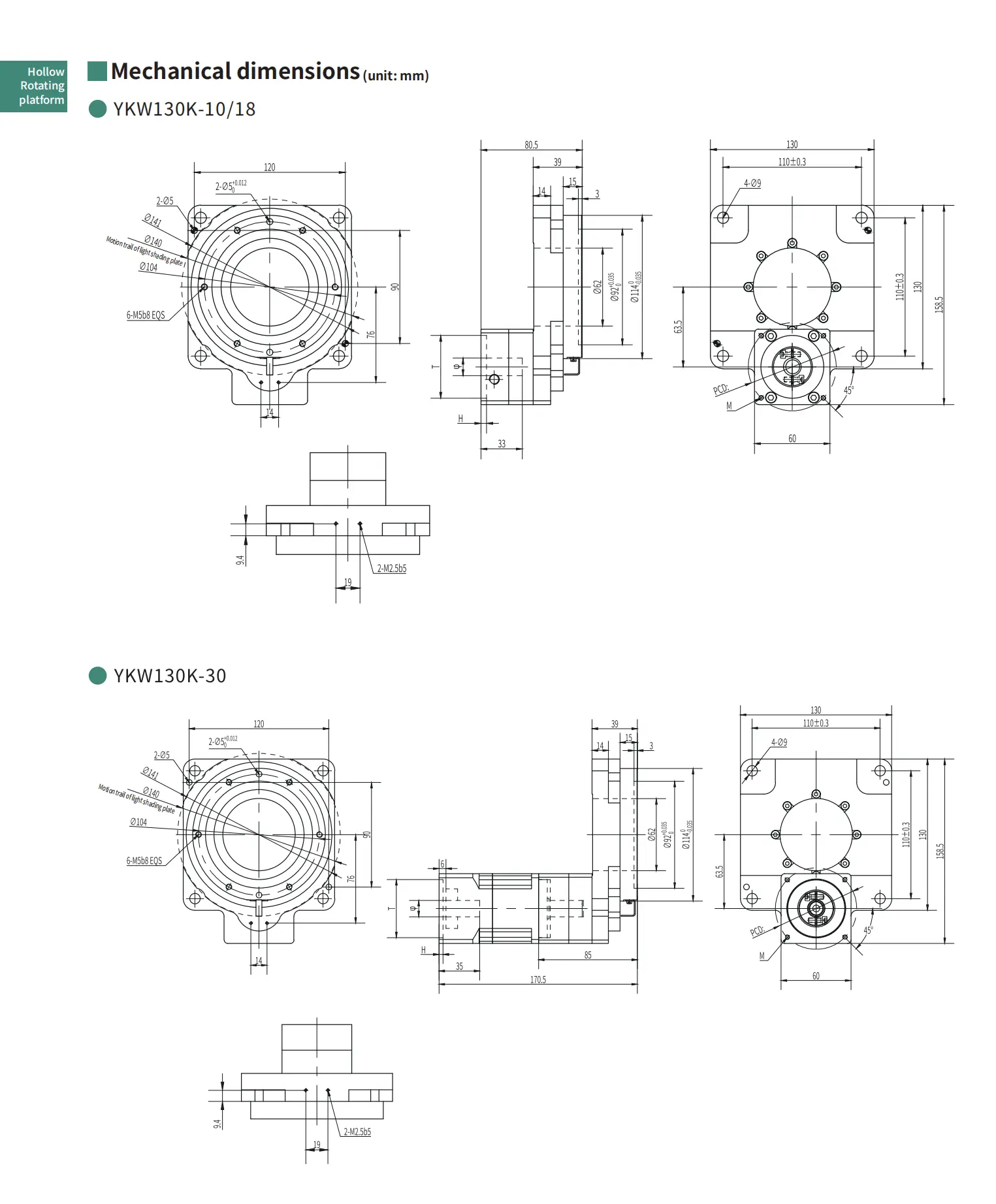
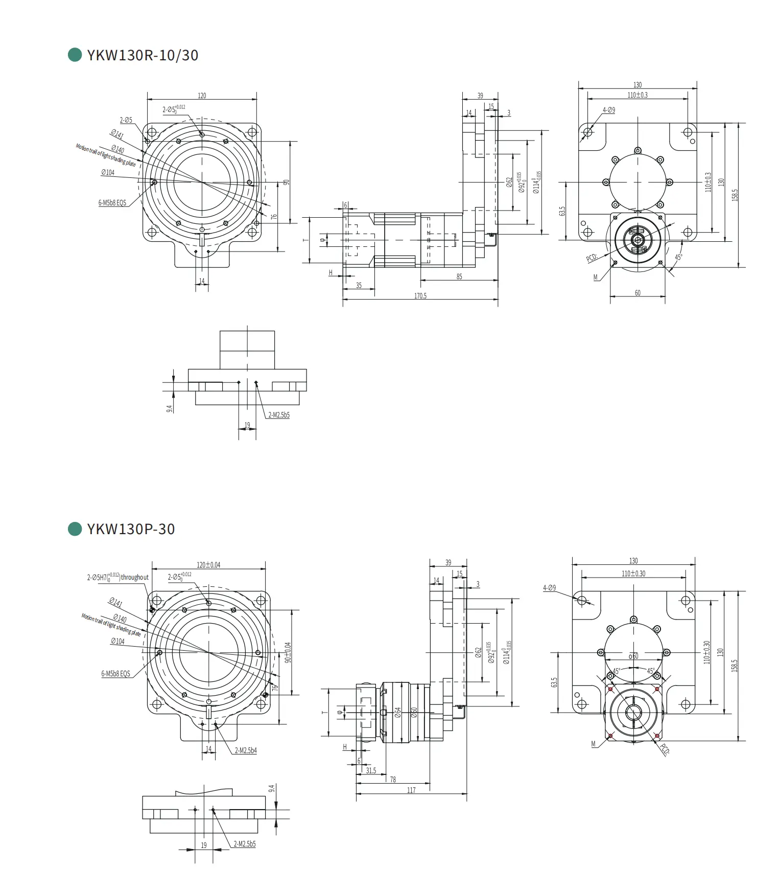
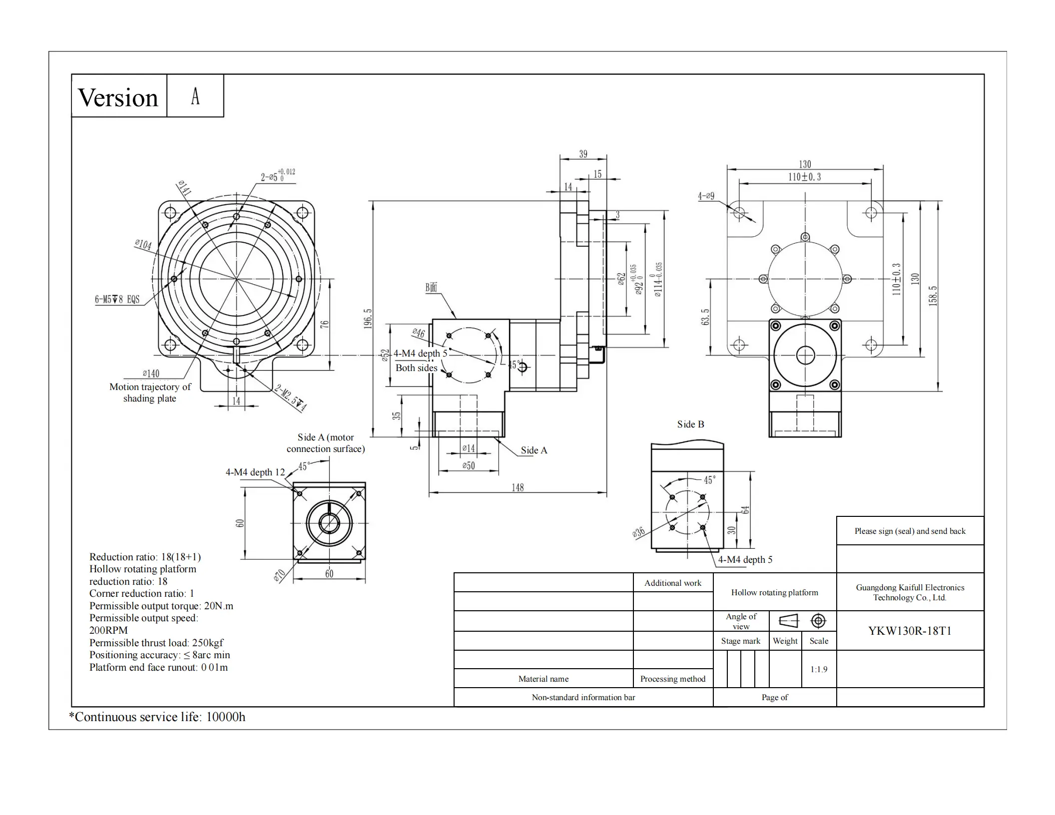
YKW130R-18T1 High-Torque Rotary Platform with 18:1 Reduction Ratio
The YKW130R-18T1 hollow rotary platform is engineered to deliver precision and high torque for various industrial automation tasks. It offers an allowable torque of 20 N.m, making it suitable for operations that demand both power and accuracy. With the ability to support axial loads up to 100 kg and radial forces of 60 N.m, this rotary platform is designed for heavy-duty applications such as robotics, CNC systems, and assembly lines.
The platform features an 18:1 reduction ratio, allowing for controlled, smooth rotational motion at speeds of up to 720° per second. It provides superior positioning accuracy at 3 arc-min and ensures consistent performance with a repetitive positioning accuracy of ≤±15 arc-sec. These specifications make the YKW130R-18T1 ideal for precision-demanding applications that require reliable, repeatable motion control.
With a mass of 2.8 kg and an IP40-rated enclosure, the platform is protected against dust, making it durable and suitable for industrial environments. Additionally, the YKW130R-18T1 offers a long operational life with an accuracy life exceeding 15,000 cycles under intermittent operation. The motor interface is designed to accommodate a motor with a shaft diameter of ф8, featuring a PCD of ф66.67 and M4 mounting bolts, ensuring easy motor integration.
This rotary platform is an excellent choice for industries looking to enhance automation performance while maintaining precision and durability over extended usage periods.








| ●Motor configuration and performance parameters | |||||||||||||||||||||||||
|
|||||||||||||||||||||||||

-

YKW130R-18T1.PDF
Download







Daniel.Ding
Ding