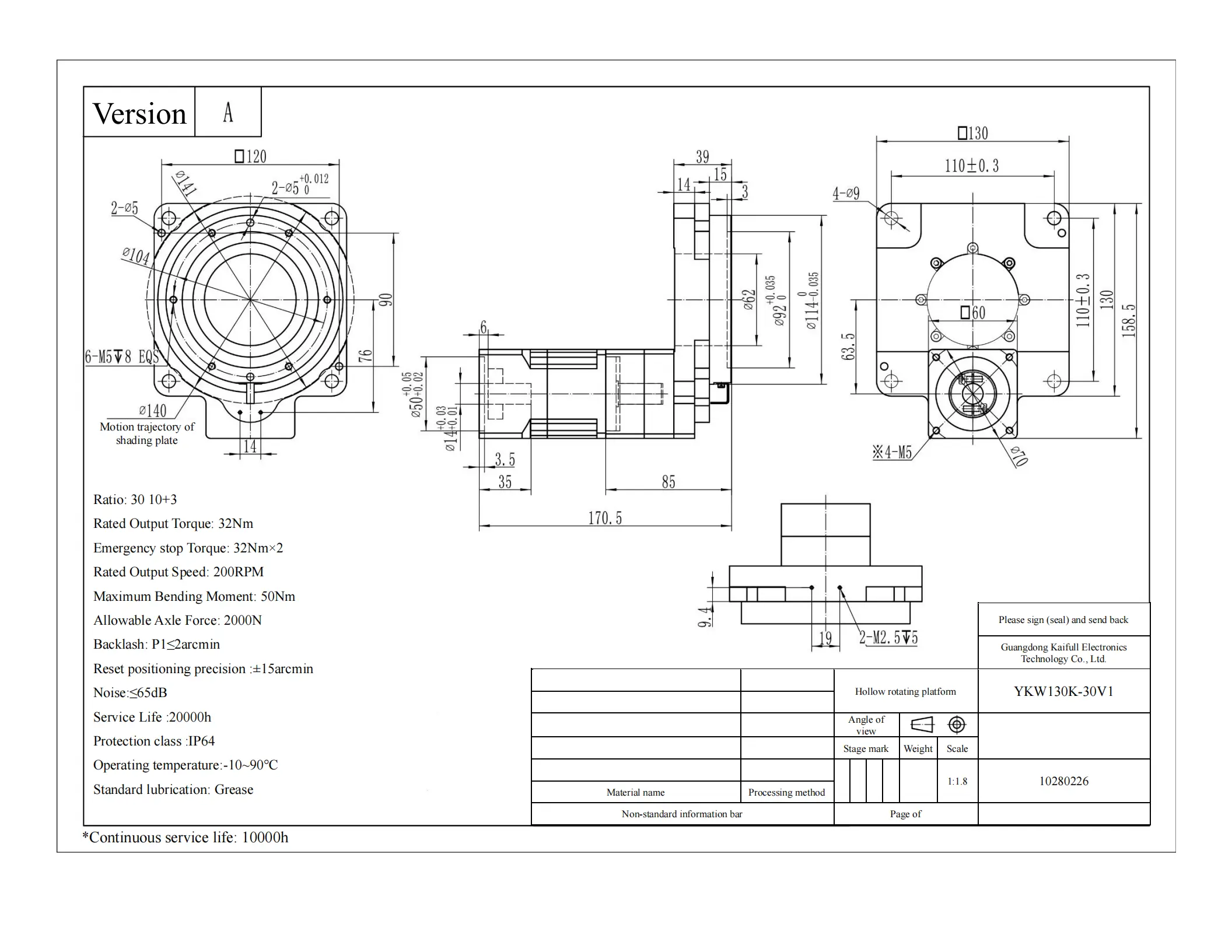
YKW130K-30V1 Rotary Platform with V1 Motor Interface
The YKW130K-30V1 rotary platform is an advanced solution for precision motion control in industrial and automation settings. It provides a powerful torque capacity of 45 N·m, accommodates axial loads up to 100 kg, and endures radial forces of 60 N·m. Featuring a reduction ratio of 30, the platform allows for smooth disk rotations at speeds of up to 720°/sec. Its exceptional positioning accuracy ranges from 5 to 8 arc-min, with a repetitive positioning accuracy of ≤±20–30 arc-sec, ensuring reliable performance in exacting tasks.
This model integrates the V1 motor interface, characterized by a 14mm shaft diameter, a PCD of ф70, and M4 mounting threads, ensuring adaptability with various motor systems. Weighing 4.2 kg and rated at IP40 for ingress protection, it is robust and built to withstand demanding environments. With an accuracy life of over 15,000 cycles during intermittent operations, the platform ensures long-lasting precision for industrial applications.








| ●Motor configuration and performance parameters | |||||||||||||||||||||||||
|
|||||||||||||||||||||||||








Daniel.Ding
Ding

