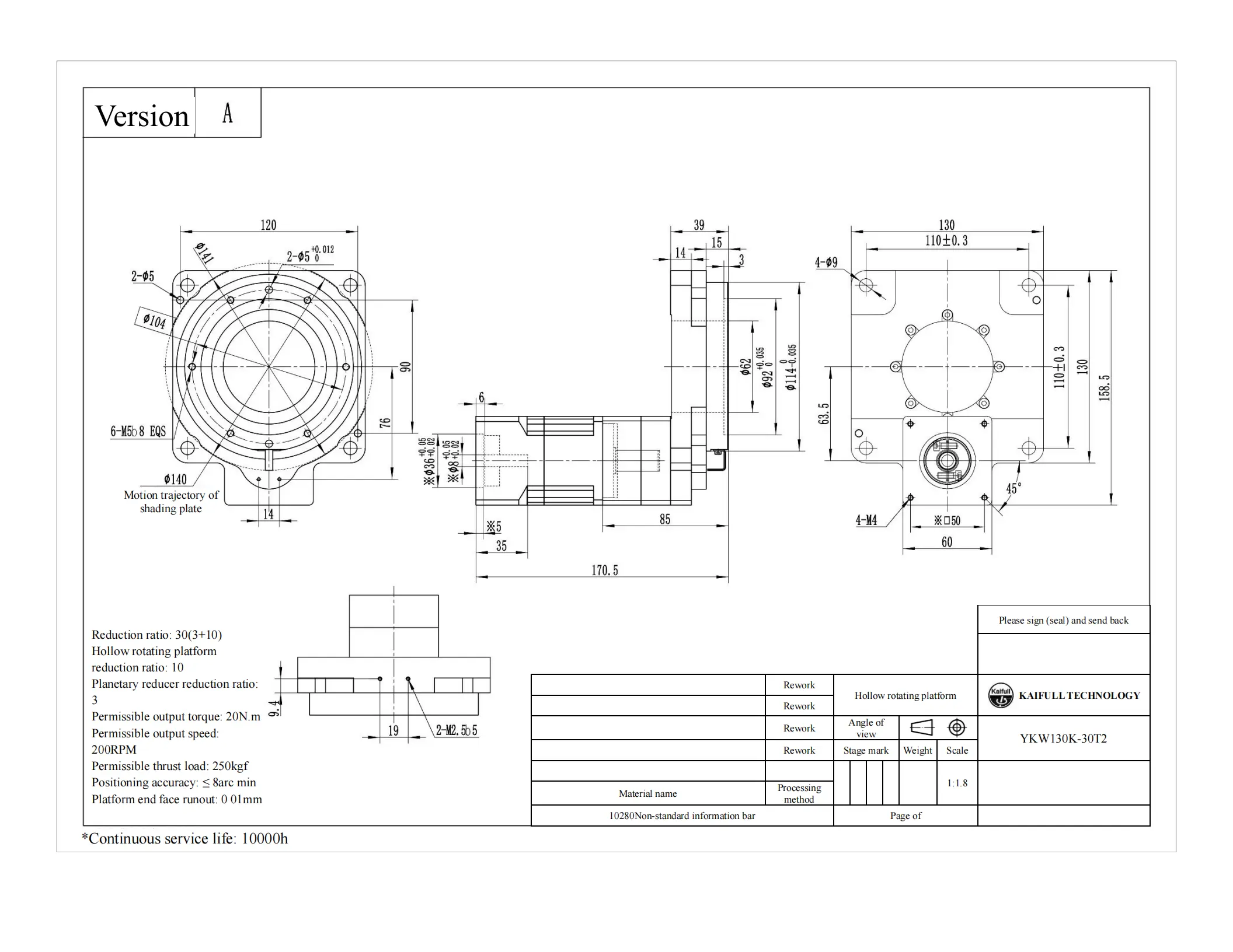
YKW130K-30T2 High Precision Hollow Rotary Platform with 30:1 Reduction
The YKW130K-30T2 hollow rotary platform is a high-performance solution for industrial automation requiring precise, controlled movement. With a robust design, this platform delivers an allowable torque of 45 N.m and is equipped to handle axial loads of up to 100 kg and radial forces of 60 N.m. Its 30:1 reduction ratio ensures smooth and accurate rotational movement, making it ideal for applications like robotics, CNC machines, and assembly automation.
Operating at a maximum disk rotation speed of 720° per second, the YKW130K-30T2 excels in high-speed tasks while maintaining excellent precision. It offers positioning accuracy options of either 5 arc-min or 8 arc-min, ensuring flexibility for different precision requirements. Additionally, the repetitive positioning accuracy is ≤±20 arc-sec, enhancing its reliability for tasks that require consistent and repeatable motion over extended usage.
This rotary platform weighs 4.2 kg and is built to withstand challenging industrial environments, boasting an IP40-rated enclosure that protects against dust and debris. With a long accuracy life of over 15,000 cycles under intermittent operation, the YKW130K-30T2 offers durability and longevity in demanding conditions. The T2 motor specification supports a shaft diameter of ф8, with a PCD of ф70 and M4 mounting bolts, ensuring compatibility with a variety of motors.
Designed for precision, strength, and durability, the YKW130K-30T2 is an ideal choice for applications that demand high torque and accurate positioning, making it a valuable asset in industrial automation, robotics, and machine tooling.








| ●Motor configuration and performance parameters | |||||||||||||||||||||||||
|
|||||||||||||||||||||||||








Daniel.Ding
Ding

