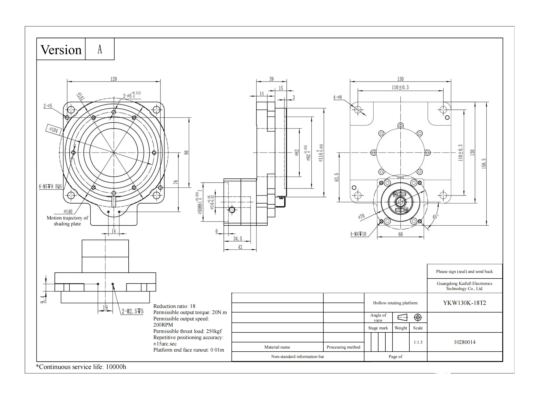
YKW130K-18T2 Rotary Platform with T2 Motor Interface
The YKW130K-18T2 rotary platform is designed for precision and reliability in industrial and automation applications. With an allowable torque of 20 N·m and a reduction ratio of 18, this platform operates at a speed of up to 720°/sec. It is capable of withstanding axial loads of up to 100 kg and radial forces of 60 N·m, ensuring robust performance in demanding environments. The platform offers a positioning accuracy of 3 arc-min and a repetitive positioning accuracy of ≤±15 arc-sec, providing reliable and consistent performance. Equipped with a T2 motor interface (ф8 shaft diameter, PCD of ф70, M4 mounting threads), the platform allows easy integration with compatible motors. Weighing 2.8 kg and offering an IP40 rating for ingress protection, the YKW130K-18T2 is built to perform in harsh conditions. It also boasts an accuracy life of ≥15,000 cycles in intermittent operation, making it a durable solution for precision motion control.








| ●Motor configuration and performance parameters | |||||||||||||||||||||||||
|
|||||||||||||||||||||||||








Daniel.Ding
Ding

