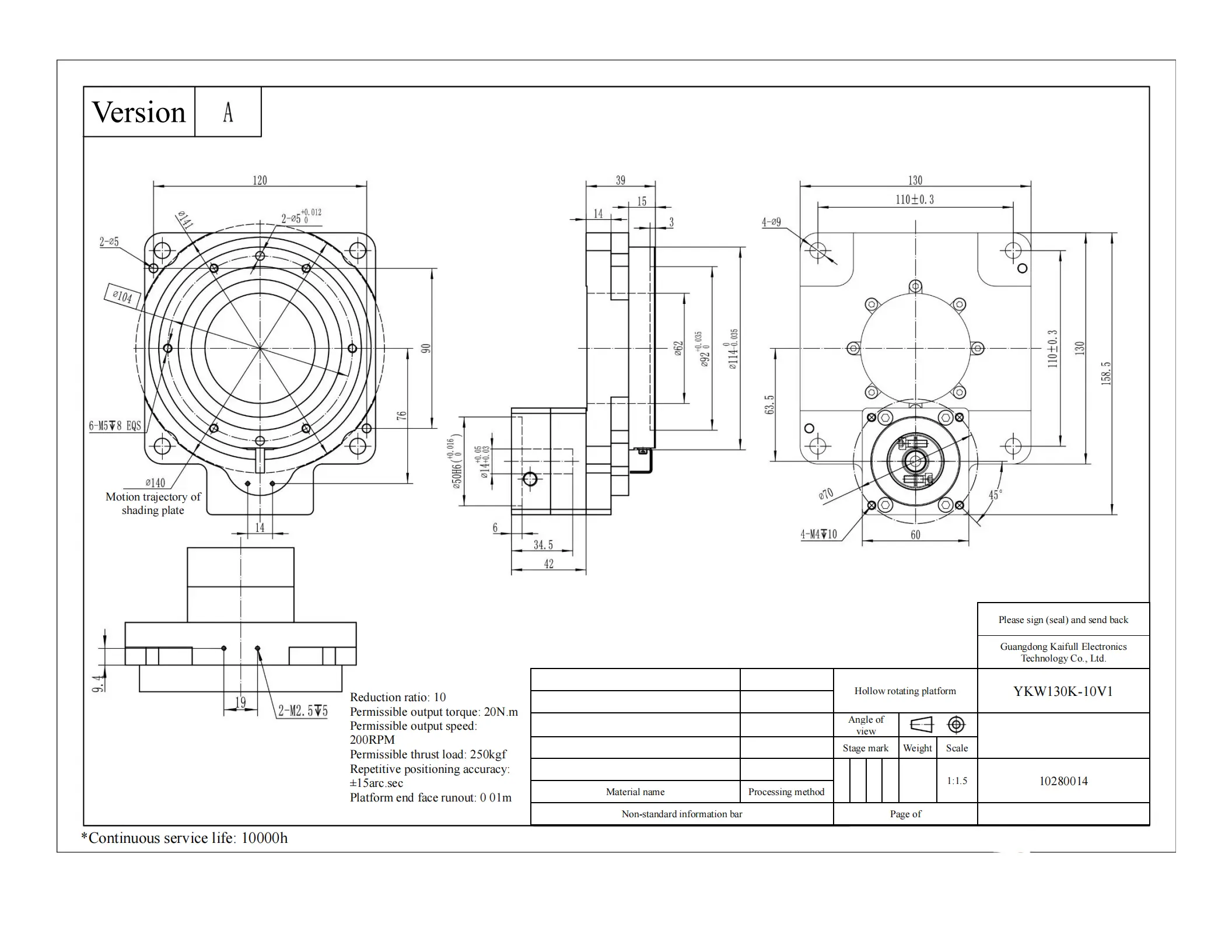
YKW130K-10V1 Rotary Platform with V1 Motor Interface
The YKW130K-10V1 rotary platform provides exceptional performance for precision-driven applications. It features an allowable torque of 45 N·m, with a reduction ratio of 10, ensuring efficient operation at high speeds of up to 720°/sec. This platform can handle axial loads up to 100 kg and radial forces of 60 N·m, making it ideal for heavy-duty and high-torque tasks. With a positioning accuracy of 3 arc-min and a repetitive positioning accuracy of ≤±15 arc-sec, it ensures high precision for automation and motion control systems. The V1 motor interface, with a shaft diameter of ф14, PCD of ф70, and M4 mounting threads, allows seamless integration with compatible motors. The platform's mass is 2.8 kg, and it comes with IP40 ingress protection, ensuring durability and reliable performance in industrial settings. Additionally, the accuracy life exceeds 15,000 cycles under intermittent operation, ensuring long-term operational consistency.








| ●Motor configuration and performance parameters | |||||||||||||||||||||||||
|
|||||||||||||||||||||||||








Daniel.Ding
Ding

