0102030405
YK-R4017U-ASN-2-615 Rotary Stage ±8.5° Stroke, High-Precision Ball Screw
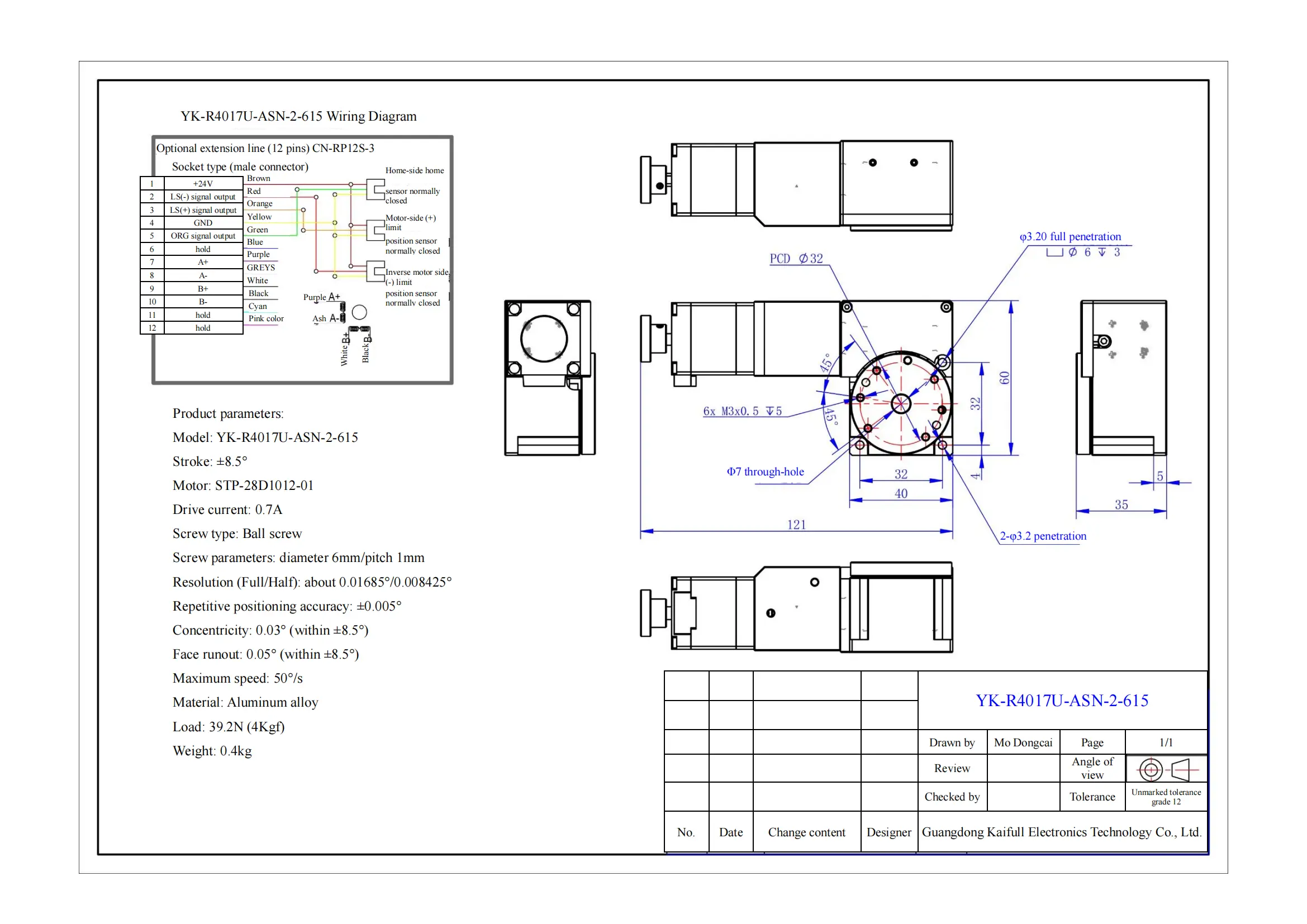
The YK-R4017U-ASN-2-615 rotary stage is engineered for applications demanding precise angular motion within a ±8.5° stroke. Driven by the STP-28D1012-01 motor at 0.7A, it features a ball screw mechanism (6mm diameter, 1mm pitch) to ensure accurate and smooth operation. This rotary stage offers resolutions of approximately 0.01685° (full step) and 0.008425° (half step), with a repetitive positioning accuracy of ±0.005°. Concentricity and face runout are maintained at 0.03° and 0.05° respectively within the stroke range. Constructed from lightweight yet durable aluminum alloy, it supports loads up to 39.2N (4Kgf) and achieves maximum speeds of 50°/s.
| ●Motor configuration and performance parameters | ||
|
Product parameters:
Model: YK-R4017U-ASN-2-615
Stroke: ±8.5°
Motor: STP-28D1012-01
Drive current: 0.7A
Screw type: Ball screw
Screw parameters: diameter 6mm/pitch 1mm
Resolution (Full/Half): about 0.01685°/0.008425°
Repetitive positioning accuracy: ±0.005°
Concentricity: 0.03° (within ±8.5°)
Face runout: 0.05° (within ±8.5°)
Maximum speed: 50°/s
Material: Aluminum alloy
Load: 39.2N (4Kgf)
Weight: 0.4kg
|
||








Daniel.Ding
Ding

