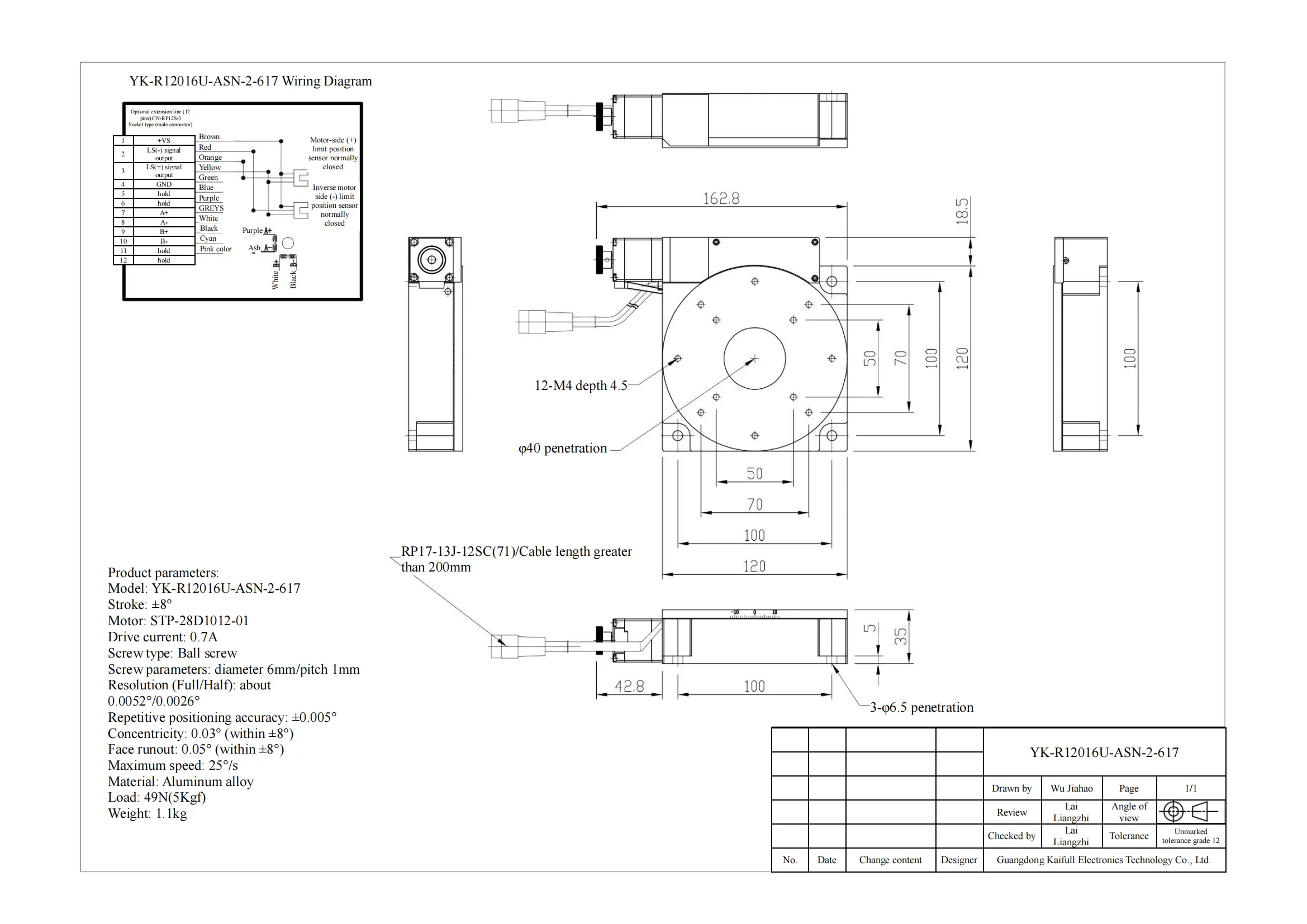
YK-R12016U-ASN-2-617 Rotary Stage ±8° Stroke, High Precision with 0.7A Drive
The YK-R12016U-ASN-2-617 rotary stage is an advanced solution designed for precise rotational motion applications. With a ±8° stroke, this unit is powered by an STP-28D1012-01 motor delivering a drive current of 0.7A. It features a robust ball screw mechanism (6mm diameter, 1mm pitch) that achieves resolutions of approximately 0.0052° (full step) and 0.0026° (half step). Ensuring precision, it provides a repetitive positioning accuracy of ±0.005°, concentricity of 0.03°, and face runout of 0.05° within the stroke range. Built with durable aluminum alloy, it supports loads up to 49N (5Kgf), operates at speeds up to 25°/s, and weighs 1.1kg.
| ●Motor configuration and performance parameters | ||
|
Product parameters: Model: YK-R12016U-ASN-2-617 Stroke: ±8° Motor: STP-28D1012-01 Drive current: 0.7A Screw type: Ball screw Screw parameters: diameter 6mm/pitch 1mm Resolution (Full/Half): about 0.0052°/0.0026° Repetitive positioning accuracy: ±0.005° Concentricity: 0.03° (within ±8°) Face runout: 0.05° (within ±8°) Maximum speed: 25°/s Material: Aluminum alloy Load: 49N(5Kgf) Weight: 1.1kg |
||

-

YK-R12016U-ASN-2-617.PDF
Download







Daniel.Ding
Ding