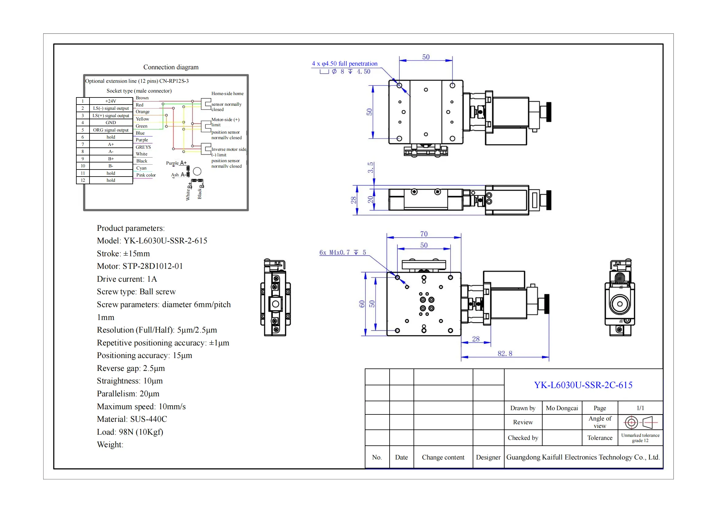
YK-L6030U-SSR-2C-615 Linear Stage ±15mm Stroke, High-Precision Ball Screw System
The YK-L6030U-SSR-2C-615 linear stage is designed for precision motion applications requiring a ±15mm stroke. Equipped with a powerful STP-28D1012-01 motor operating at 1A drive current, it utilizes a ball screw mechanism (6mm diameter, 1mm pitch) for enhanced accuracy. This stage delivers resolutions of 5μm (full step) and 2.5μm (half step), with a repetitive positioning accuracy of ±1μm and overall positioning accuracy of 15μm. Its robust SUS-440C stainless steel construction supports loads up to 98N (10Kgf), while ensuring straightness of 10μm and parallelism of 20μm. With a maximum speed of 10mm/s, it is ideal for high-precision industrial and research environments.
| ●Motor configuration and performance parameters | ||
|
Product parameters: Model: YK-L6030U-SSR-2-615 Stroke: ±15mm Motor: STP-28D1012-01 Drive current: 1A Screw type: Ball screw Screw parameters: diameter 6mm/pitch 1mm Resolution (Full/Half): 5μm/2.5μm Repetitive positioning accuracy: ±1μm Positioning accuracy: 15μm Reverse gap: 2.5μm Straightness: 10μm Parallelism: 20μm Maximum speed: 10mm/s Material: SUS-440C Load: 98N (10Kgf) Weight: |
||








Daniel.Ding
Ding

