0102030405
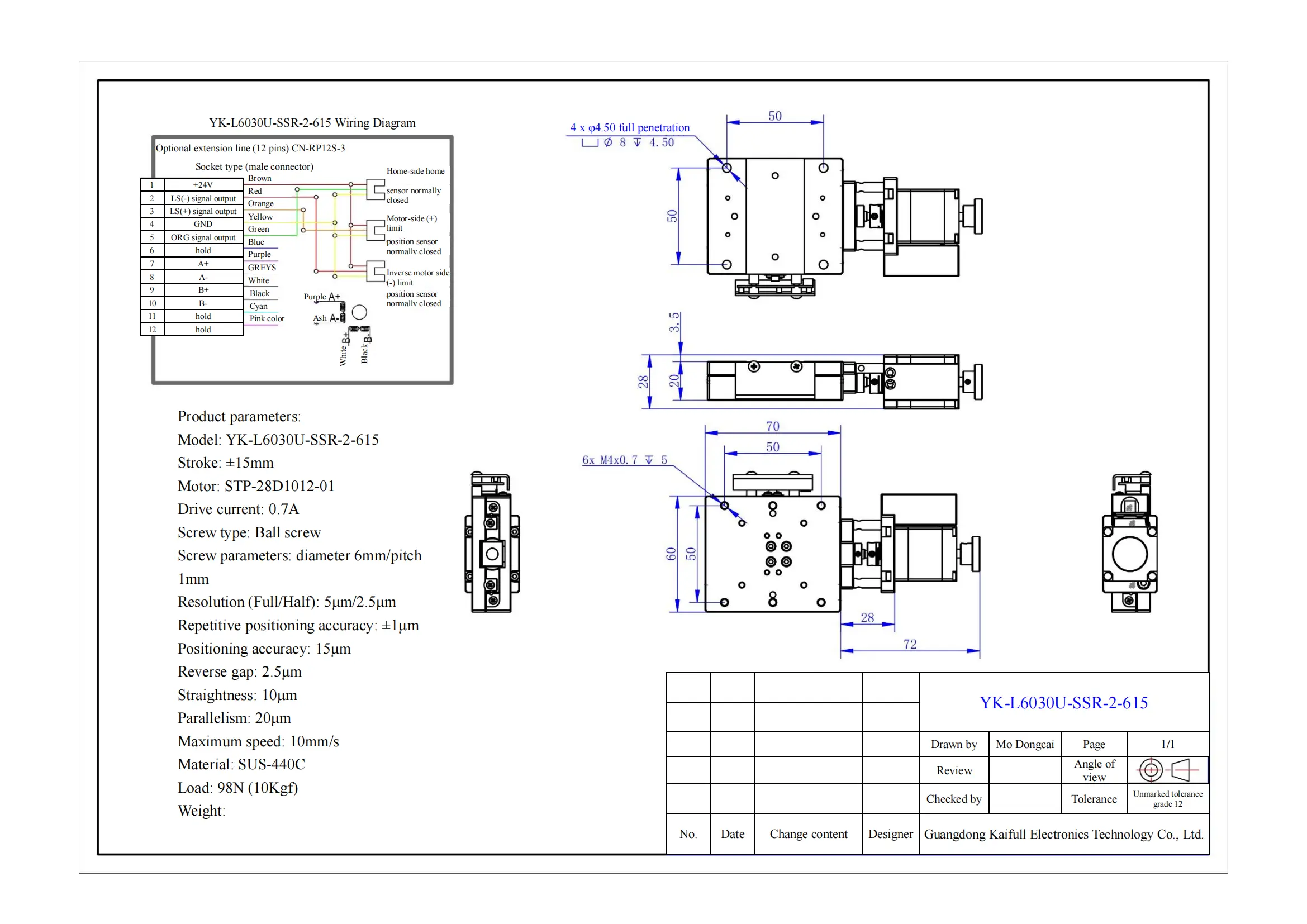
YK-L6030U-SSR-2-615 Linear Stage ±15mm Stroke, Precision Ball Screw System
The YK-L6030U-SSR-2-615 linear stage offers high precision for applications demanding ±15mm travel. It features a reliable STP-28D1012-01 motor with a 0.7A drive current, driving a ball screw system (6mm diameter, 1mm pitch) that delivers resolutions of 5μm (full step) and 2.5μm (half step). With repetitive positioning accuracy of ±1μm and overall positioning accuracy of 15μm, this linear stage ensures consistent and precise operation. Built with SUS-440C stainless steel, it supports loads of up to 98N (10Kgf), maintaining straightness of 10μm and parallelism of 20μm. Operating at speeds up to 10mm/s, it is ideal for demanding precision motion applications.
| ●Motor configuration and performance parameters | ||
|
Product parameters:
Model: YK-L6030U-SSR-2-615
Stroke: ±15mm
Motor: STP-28D1012-01
Drive current: 0.7A
Screw type: Ball screw
Screw parameters: diameter 6mm/pitch 1mm
Resolution (Full/Half): 5μm/2.5μm
Repetitive positioning accuracy: ±1μm
Positioning accuracy: 15μm
Reverse gap: 2.5μm
Straightness: 10μm
Parallelism: 20μm
Maximum speed: 10mm/s
Material: SUS-440C
Load: 98N (10Kgf)
Weight:
|
||








Daniel.Ding
Ding

