0102030405
YK-L6030U-SSL-2C-615 Linear Stage ±15mm Stroke, High-Precision Motion System
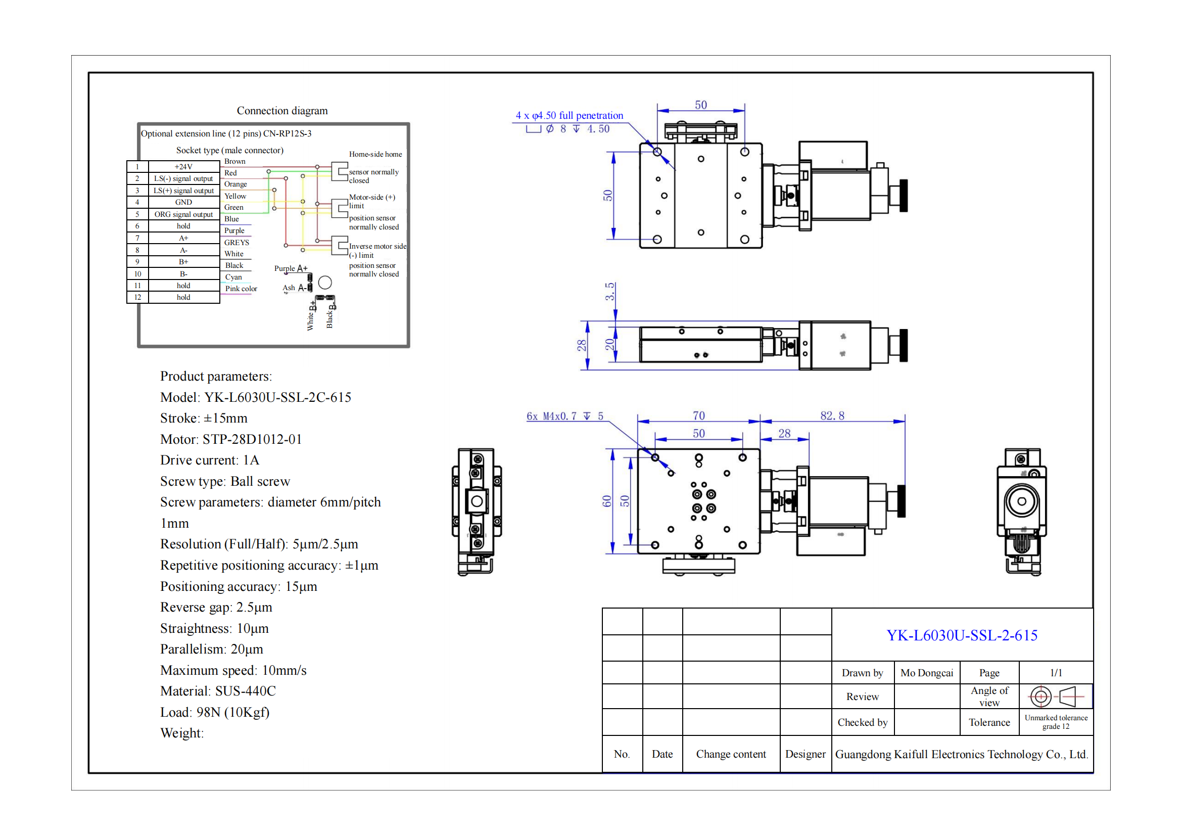
The YK-L6030U-SSL-2C-615 linear stage delivers exceptional precision and performance with a ±15mm stroke. Powered by a STP-28D1012-01 motor and 1A drive current, this stage integrates a high-precision ball screw system with a 6mm diameter and 1mm pitch, offering resolutions of 5μm (full step) and 2.5μm (half step). Designed for demanding tasks, it features a repetitive positioning accuracy of ±1μm, positioning accuracy of 15μm, and minimal reverse gap of 2.5μm. Constructed from SUS-440C stainless steel, it supports loads up to 98N (10Kgf) while ensuring straightness of 10μm and parallelism of 20μm, operating smoothly at speeds up to 10mm/s.
| ●Motor configuration and performance parameters | ||
|
Product parameters:
Model: YK-L6030U-SSL-2C-615
Stroke: ±15mm
Motor: STP-28D1012-01
Drive current: 1A
Screw type: Ball screw
Screw parameters: diameter 6mm/pitch 1mm
Resolution (Full/Half): 5μm/2.5μm
Repetitive positioning accuracy: ±1μm
Positioning accuracy: 15μm
Reverse gap: 2.5μm
Straightness: 10μm
Parallelism: 20μm
Maximum speed: 10mm/s
Material: SUS-440C
Load: 98N (10Kgf)
Weight:
|
||








Daniel.Ding
Ding

