0102030405
YK-L6020U-SSR-2C-615 Linear Stage ±10mm Stroke with High Accuracy and 1A Drive
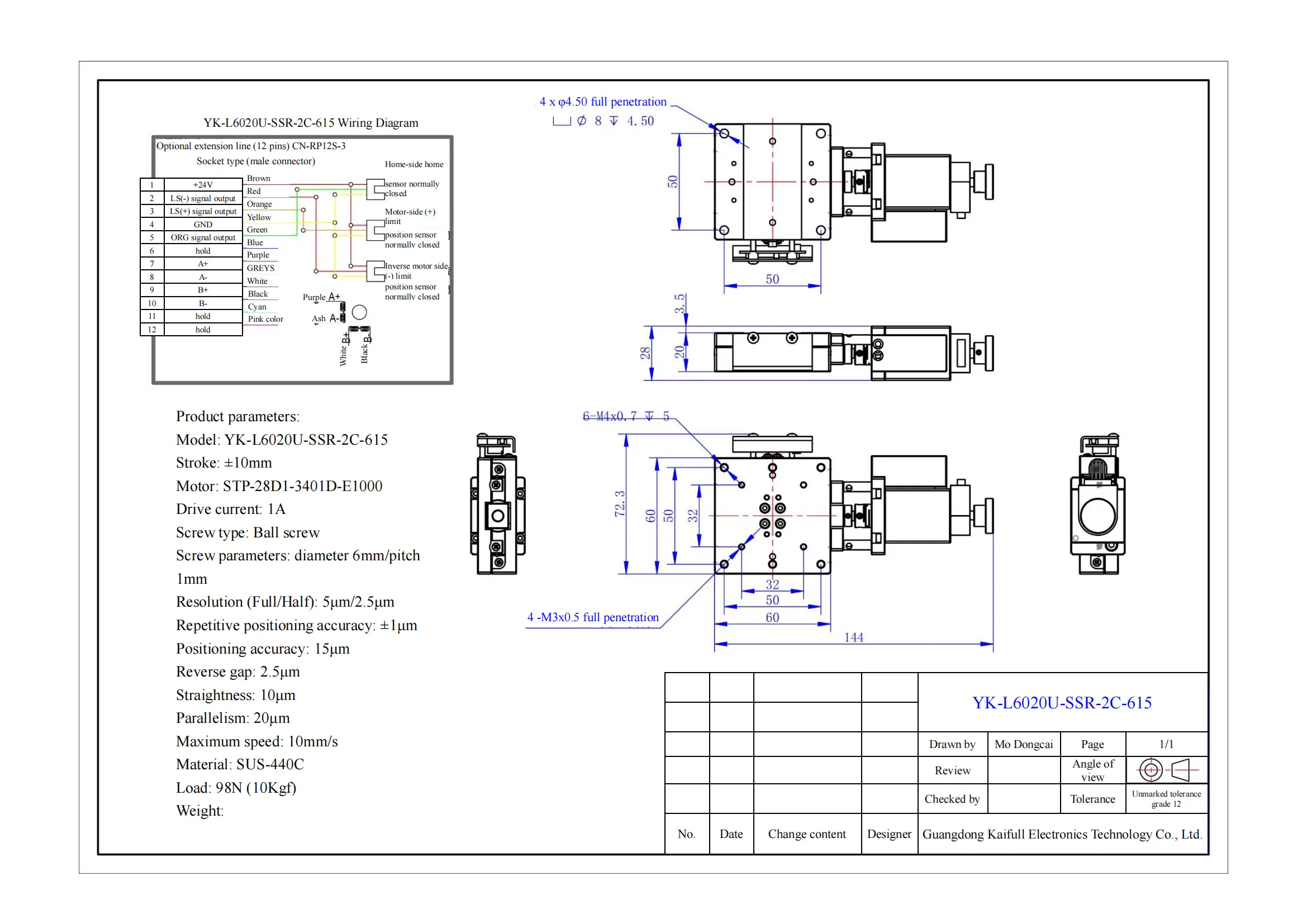
The YK-L6020U-SSR-2C-615 linear stage is designed for high-performance motion control applications, featuring a ±10mm stroke and powered by a robust STP-28D1-3401D-E1000 motor with a 1A drive current. Its ball screw mechanism, with a 6mm diameter and 1mm pitch, provides resolutions of 5μm (full step) and 2.5μm (half step). With a repetitive positioning accuracy of ±1μm and positioning accuracy of 15μm, this stage ensures precise and reliable operation. Built with durable SUS-440C material, it supports loads of up to 98N (10Kgf) while maintaining straightness of 10μm and parallelism of 20μm, making it ideal for industrial and research needs.
| ●Motor configuration and performance parameters | ||
|
Product parameters:
Model: YK-L6020U-SSR-2C-615
Stroke: ±10mm
Motor: STP-28D1-3401D-E1000
Drive current: 1A
Screw type: Ball screw
Screw parameters: diameter 6mm/pitch 1mm
Resolution (Full/Half): 5μm/2.5μm
Repetitive positioning accuracy: ±1μm
Positioning accuracy: 15μm
Reverse gap: 2.5μm
Straightness: 10μm
Parallelism: 20μm
Maximum speed: 10mm/s
Material: SUS-440C
Load: 98N (10Kgf)
Weight:
|
||








Daniel.Ding
Ding

