0102030405
YK-L6015U-SSL-2C-615 Linear Stage ±7.5mm Travel with Ultra-High Precision
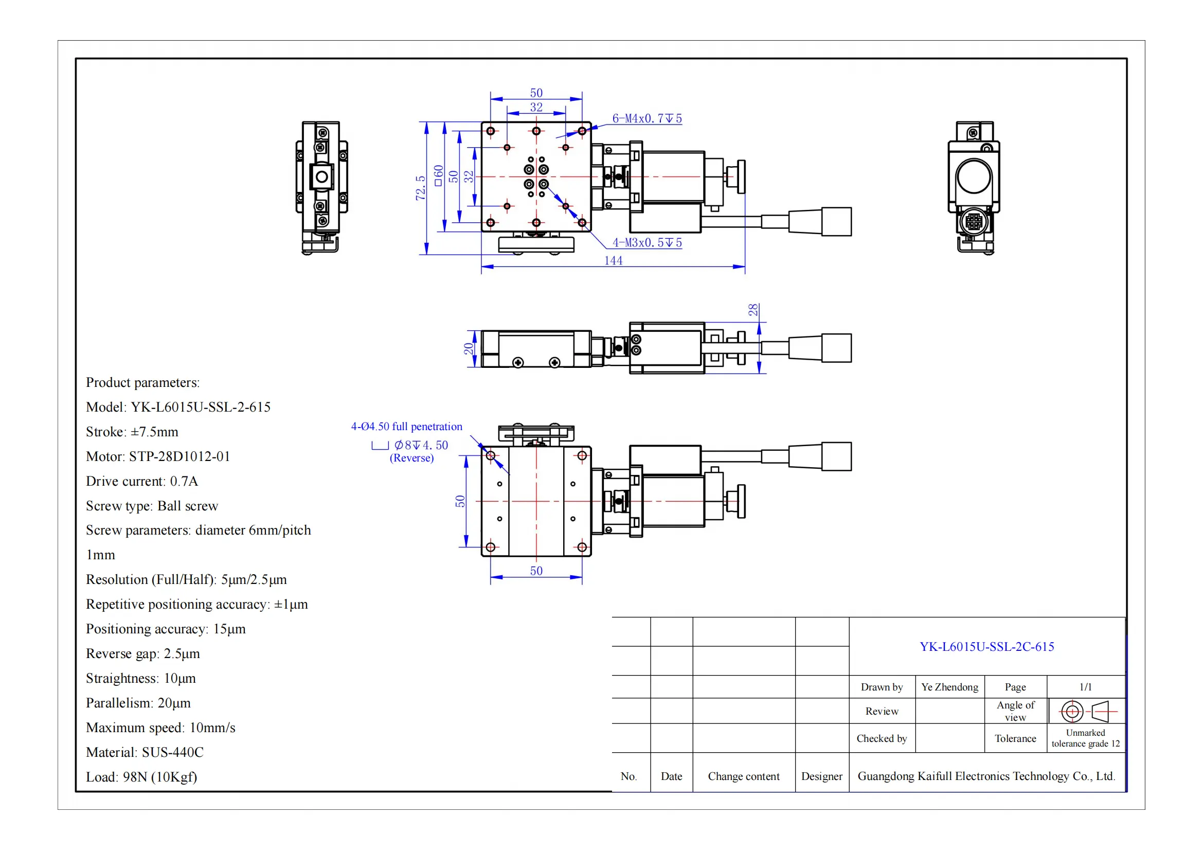
The YK-L6015U-SSL-2C-615 linear stage is a high-precision motion platform designed for demanding applications. It features a ±7.5mm stroke and is powered by the STP-28D1012-01 motor with a drive current of 0.7A. The ball screw system, with a 6mm diameter and 1mm pitch, delivers resolutions of 5μm (full step) and 2.5μm (half step). With exceptional precision, it achieves a repetitive positioning accuracy of ±1μm and positioning accuracy of 15μm. Straightness of 10μm and parallelism of 20μm ensure reliable alignment. Constructed from SUS-440C material, this stage supports loads up to 98N (10Kgf) and operates at speeds of up to 10mm/s.
| ●Motor configuration and performance parameters | ||
|
Product parameters:
Model: YK-L6015U-SSL-2-615
Stroke: ±7.5mm
Motor: STP-28D1012-01
Drive current: 0.7A
Screw type: Ball screw
Screw parameters: diameter 6mm/pitch 1mm
Resolution (Full/Half): 5μm/2.5μm
Repetitive positioning accuracy: ±1μm
Positioning accuracy: 15μm
Reverse gap: 2.5μm
Straightness: 10μm
Parallelism: 20μm
Maximum speed: 10mm/s
Material: SUS-440C
Load: 98N (10Kgf)
Weight:
|
||








Daniel.Ding
Ding

