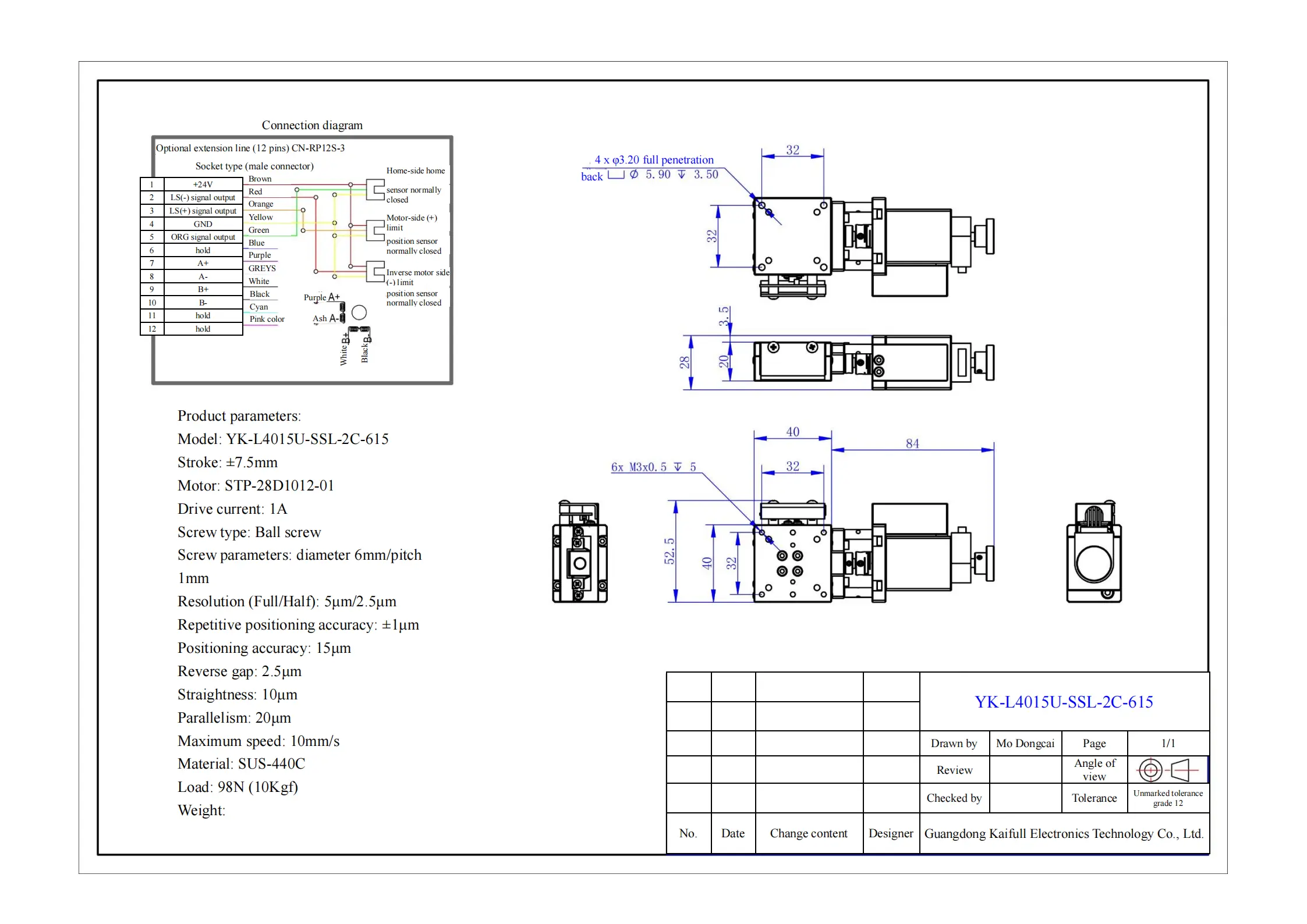
YK-L4015U-SSL-2C-615 High Precision Fine-Tuning Platform with Ball Screw and STP Motor
The YK-L4015U-SSL-2C-615 fine-tuning platform is engineered for precise motion control, offering a stroke of ±7.5mm and a resolution of 5μm (Full) and 2.5μm (Half). With a positioning accuracy of 15μm and a repetitive positioning accuracy of ±1μm, this platform ensures high precision for demanding applications. It is equipped with a 6mm diameter ball screw (1mm pitch) to guarantee smooth and reliable motion. Powered by the STP-28D1012-01 motor, it operates with a 1A drive current, achieving a maximum speed of 10mm/s. The platform supports loads up to 98N (10kgf) and is built with durable SUS-440C material. It also features a reverse gap of 2.5μm, straightness of 10μm, and parallelism of 20μm, ensuring excellent accuracy and performance in industrial automation tasks.
| ●Motor configuration and performance parameters | ||
|
Product parameters: Model: YK-L4015U-SSL-2C-615 Stroke: ±7.5mm Motor: STP-28D1012-01 Drive current: 1A Screw type: Ball screw Screw parameters: diameter 6mm/pitch 1mm Resolution (Full/Half): 5μm/2.5μm Repetitive positioning accuracy: ±1μm Positioning accuracy: 15μm Reverse gap: 2.5μm Straightness: 10μm Parallelism: 20μm Maximum speed: 10mm/s Material: SUS-440C Load: 98N (10Kgf) |
||

-

YK-L4015U-SSL-2C-615.PDF
Download







Daniel.Ding
Ding