YK-HL6020U-SSN-2C-815 High-Precision Linear Stage with 10mm Stroke, 1μm Repetitive Accuracy, and 10mm/s Speed
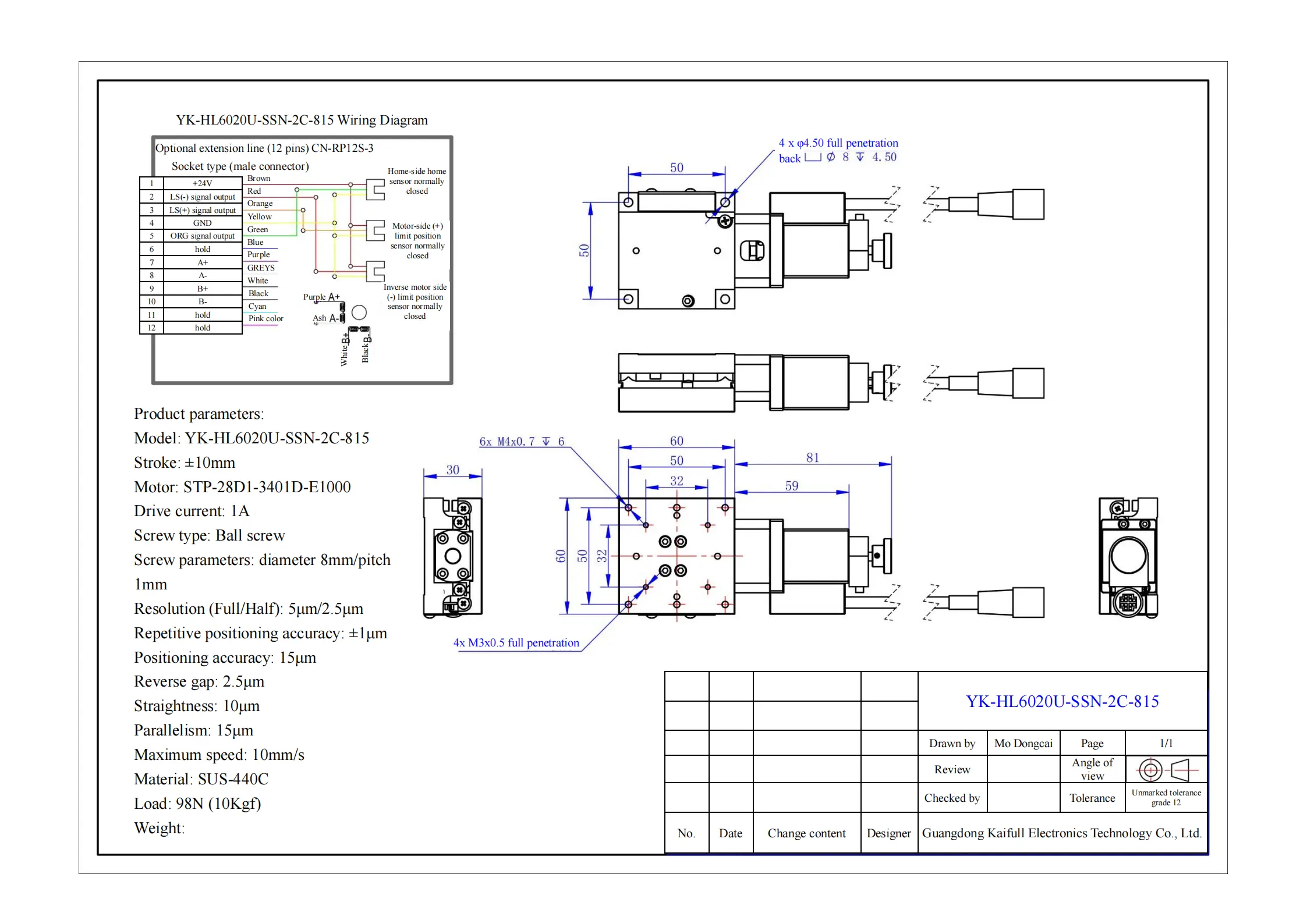
The YK-HL6020U-SSN-2C-815 is a high-precision linear stage designed for applications demanding exceptional accuracy and reliable performance. With a stroke of ±10mm and equipped with a ball screw (8mm diameter and 1mm pitch), this linear stage provides precise movement control. The resolution of 5μm (Full step) and 2.5μm (Half step) ensures detailed positioning, while the repetitive positioning accuracy of ±1μm guarantees reliable and repeatable performance.
Positioning accuracy is achieved at 15μm, with a reverse gap of only 2.5μm and a straightness of 10μm, providing highly consistent results across multiple cycles. The maximum speed of 10mm/s allows for fast, efficient motion while maintaining high precision, making it suitable for automation, robotics, and measurement applications.
Built from durable SUS-440C material, this linear stage is robust and resistant to wear. With a load capacity of up to 98N (10Kgf), it is capable of handling substantial forces without compromising precision or performance.
| ●Motor configuration and performance parameters | ||
|
Product parameters: Model: YK-HL6020U-SSN-2C-815 Stroke: ±10mm Motor: STP-28D1-3401D-E1000 Drive current: 1A Screw type: Ball screw Screw parameters: diameter 8mm/pitch 1mm Resolution (Full/Half): 5μm/2.5μm Repetitive positioning accuracy: ±1μm Positioning accuracy: 15μm Reverse gap: 2.5μm Straightness: 10μm Parallelism: 15μm Maximum speed: 10mm/s Material: SUS-440C Load: 98N (10Kgf) |
||








Daniel.Ding
Ding

