YK-HL6020U-SSN-2-815 Precision Linear Actuator
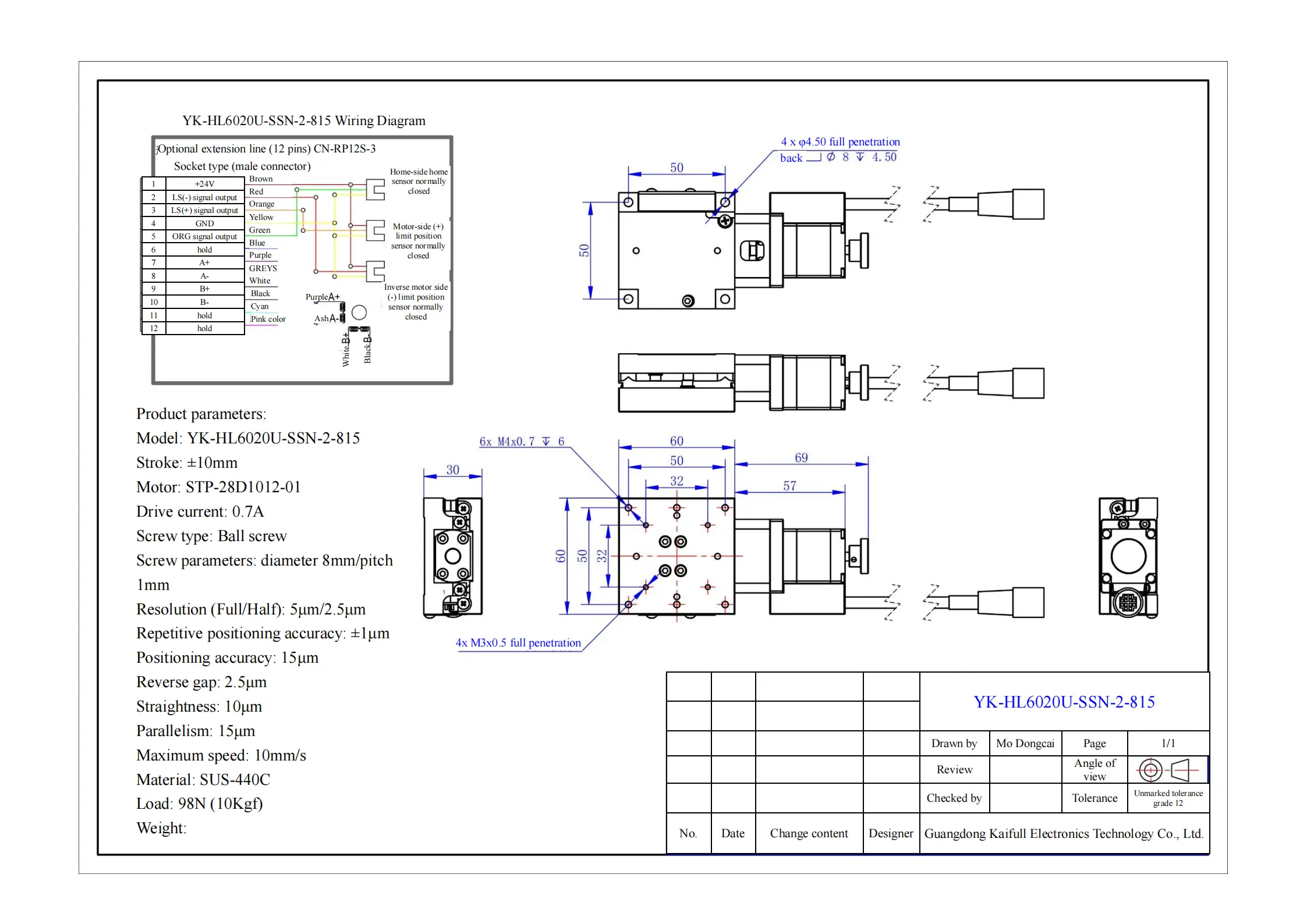
The YK-HL6020U-SSN-2-815 is a cutting-edge precision linear actuator designed to meet the demanding needs of modern automation and robotics applications. With a stroke of ±10mm, this actuator offers exceptional control and versatility for tasks requiring accurate linear movements.
Powered by the reliable STP-28D1012-01 motor and operating at a drive current of 0.7A, the YK-HL6020U-SSN-2-815 integrates a high-performance ball screw mechanism. The screw parameters feature a diameter of 8mm and a pitch of 1mm, ensuring smooth and efficient motion while minimizing friction. This design not only enhances performance but also contributes to the longevity of the actuator.
One of the standout specifications of this actuator is its remarkable resolution. Achieving a full-step resolution of 5μm and a half-step resolution of 2.5μm, it provides the precision required for intricate positioning tasks. The repetitive positioning accuracy of ±1μm further exemplifies its capability, ensuring that the actuator returns to the exact position with each cycle. The positioning accuracy is rated at 15μm, with a reverse gap of just 2.5μm, making it ideal for applications where minute adjustments are critical.
The YK-HL6020U-SSN-2-815 also excels in linearity and parallelism, boasting straightness of 10μm and parallelism of 15μm. These specifications are vital for applications requiring consistent and precise linear trajectories.
With a maximum speed of 10mm/s, this actuator balances responsiveness with precision, making it suitable for dynamic environments. Constructed from SUS-440C material, known for its durability and corrosion resistance, the YK-HL6020U-SSN-2-815 is designed to withstand the rigors of industrial applications while maintaining its performance over time.
This actuator can support loads up to 98N (10Kgf), ensuring it can handle significant forces while operating smoothly. Weighing in at a lightweight, this model is engineered for efficiency without compromising strength.
| ●Motor configuration and performance parameters | ||
|
Product parameters: Model: YK-HL6020U-SSN-2-815 Stroke: ±10mm Motor: STP-28D1012-01 Drive current: 0.7A Screw type: Ball screw Screw parameters: diameter 8mm/pitch 1mm Resolution (Full/Half): 5μm/2.5μm Repetitive positioning accuracy: ±1μm Positioning accuracy: 15μm Reverse gap: 2.5μm Straightness: 10μm Parallelism: 15μm Maximum speed: 10mm/s Material: SUS-440C Load: 98N (10Kgf) Weight: |
||








Daniel.Ding
Ding

