0102030405
YK-42D2488-02GZ-50 Linear Actuator – 50mm Stroke, High Thrust Stepper Motor (42mm), 5mm Lead
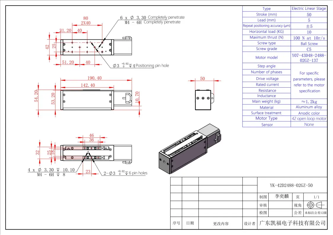
The YK-42D2488-02GZ-50 is a high-performance electric linear slide actuator designed for compact and high-precision automation systems. Featuring a 50mm stroke and a 5mm lead screw, it offers excellent repeatability of ±5μm, ensuring smooth and accurate positioning. Powered by a reliable 42mm open-loop stepper motor, this actuator can generate up to 100N of thrust and support 10kg horizontal loads. Its robust structure and compact size (42×54.2×190.4mm) make it ideal for laboratory automation, pick-and-place systems, electronics assembly, semiconductor handling, and medical device motion control. No sensor is required for basic operation, minimizing system complexity and cost.
| ●Motor configuration and performance parameters | |||||||||||||||||||||
|
|||||||||||||||||||||








Daniel.Ding
Ding

