0102030405
YK-28D3011-02GZ-50 Electric Linear Slide – 50mm Stroke, Compact Stepper Actuator, ±5μm Repeatability
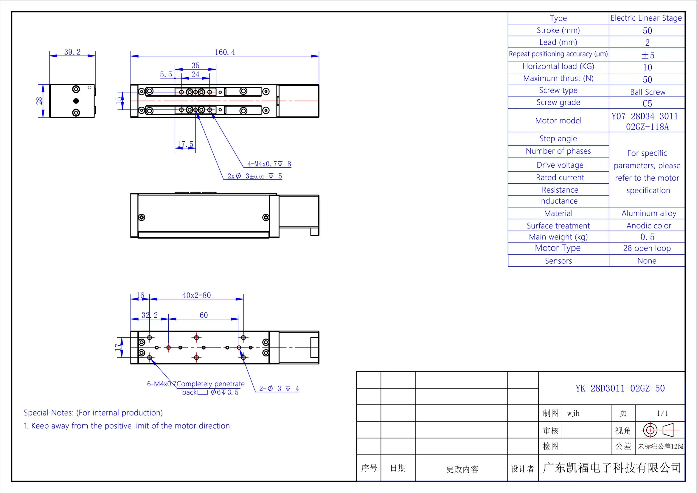
The YK-28D3011-02GZ-50 is a precision-engineered electric linear slide featuring a 50 mm stroke, 2 mm lead, and ±5 μm repeatability, making it ideal for high-accuracy linear motion applications. Driven by a 28 open-loop stepper motor (model Y07-28D34-3011-02GZ-118A), this compact actuator measures 28×39.2×160.4 mm and supports up to 10 kg of horizontal load with a maximum thrust of 50 N. Its streamlined design allows easy integration into space-constrained systems such as automated test equipment, micro-assembly, and semiconductor processes. The absence of sensors makes it ideal for cost-sensitive or externally controlled motion systems.
| ●Motor configuration and performance parameters | |||||||||||||||||||||
|
|||||||||||||||||||||








Daniel.Ding
Ding

