0102030405
Y09-86D119-4014-E1000 Closed-loop Stepper Motor – 86mm Frame, 1.8° Step Angle
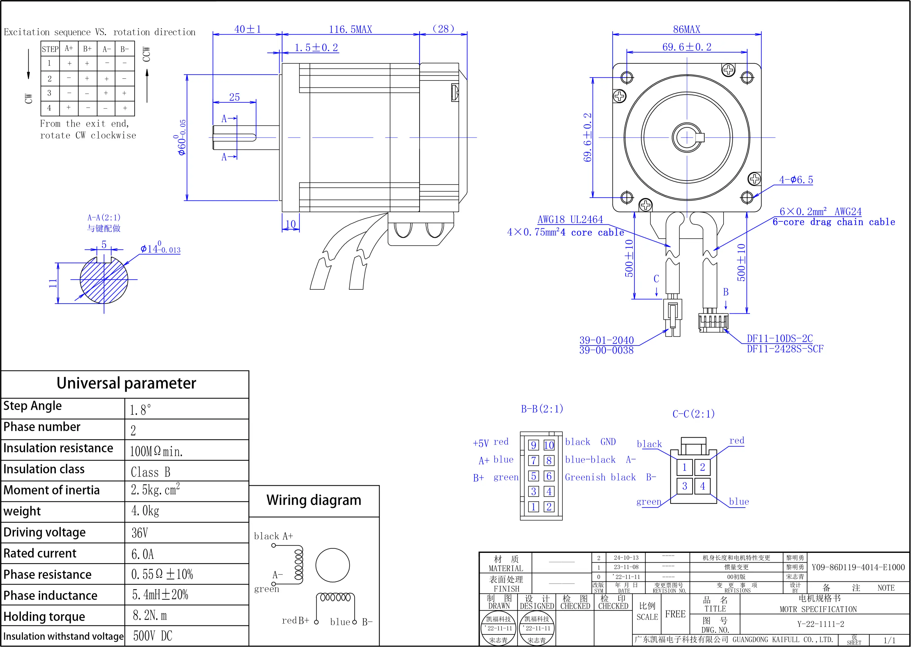
The Y09-86D119-4014-E1000 closed-loop stepper motor, featuring an 86mm frame size and 1.8° step angle, is engineered for high-torque and high-performance applications. With a rated current of 6A, resistance of 0.55Ω, and inductance of 5.4mH, this motor delivers an impressive minimum thrust of 8.2N and rotor inertia of 2500g.cm². The 14mm shaft diameter and motor length of 144.5mm ensure it meets the needs of demanding industrial automation, robotics, and CNC machining environments. This motor provides precise motion control, reliability, and durability under heavy load conditions.
| ●Motor configuration and performance parameters | |||||||||||||||||||||||||||
|
|||||||||||||||||||||||||||








Daniel.Ding
Ding


