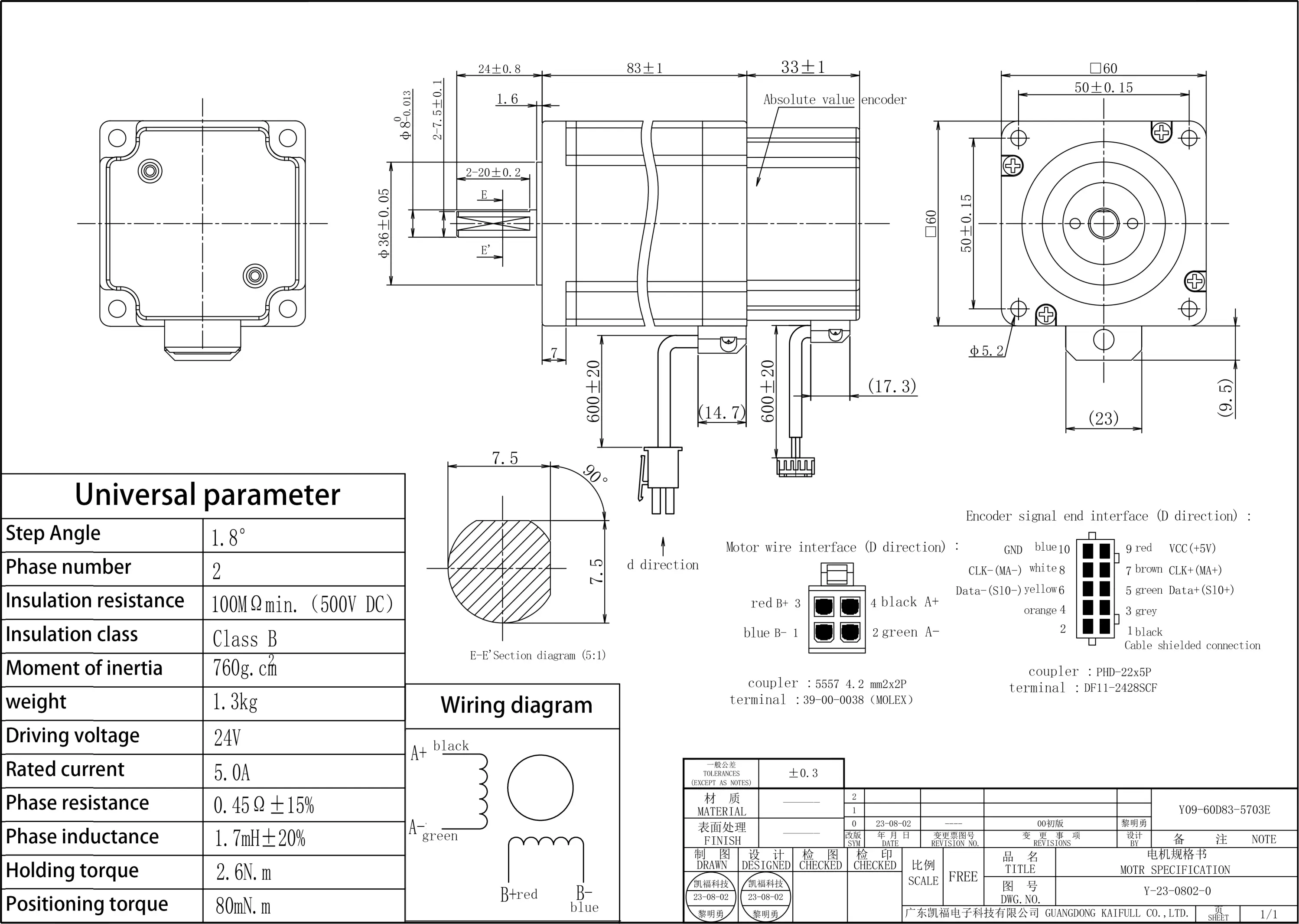
Y09-60D83-5703E Closed-loop Stepper Motor – 60mm Frame, 1.8° Step Angle
The Y09-60D83-5703E closed-loop stepper motor combines high power, precision, and efficiency, designed for demanding motion control applications. With a 60mm frame size and 1.8° step angle, this motor operates at a rated current of 5A, a resistance of 0.45Ω, and an inductance of 1.7mH. It offers an impressive minimum thrust of 2.6N and a rotor inertia of 760g.cm², ensuring smooth and accurate performance in industrial automation, robotics, and CNC machinery.
With a 8mm shaft diameter and a motor length of 116mm, it provides a reliable, high-performance solution for applications that require enhanced torque and precision.
| ●Motor configuration and performance parameters | |||||||||||||||||||||||||||
|
|||||||||||||||||||||||||||








Daniel.Ding
Ding



