Y09-59D3-8536 High Torque 36V 3-Phase Stepper Motor, 2.0N.m
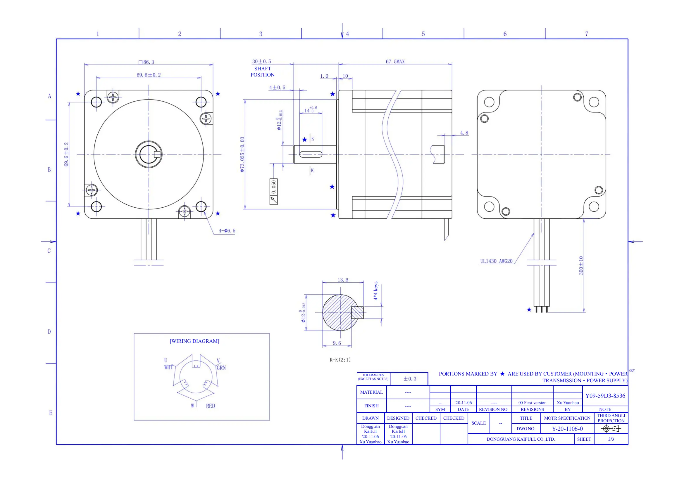
The Y09-59D3-8536 stepper motor is designed for high-precision and continuous-duty applications, featuring a 1.2° step angle and high torque output. Operating at 36V DC with a rated current of 5.8A, this motor offers a holding torque of 2.0N.m, making it a powerful choice for CNC machines, industrial automation, and precision control systems. The motor is built with a 3-phase unipolar structure for smooth motion control, providing excellent positional accuracy of ±0.06° and capable of achieving a max starting pulse rate of 1200PPS.
Engineered for reliability, the Y09-59D3-8536 features Class B insulation and a high dielectric strength of 500V AC, ensuring stability under continuous operation. Its low winding resistance of 0.35Ω and inductance of 1.2mH allow for efficient performance, while the robust construction, including an SUS303 stainless steel shaft and single-row ball bearings, contributes to its durability. Weighing around 1.8kg and with a rotor inertia of 1400g.cm², this motor delivers consistent performance, making it ideal for high-demand tasks.
| ●Motor configuration and performance parameters | |||||||||||||||||||||||||||||||||||||||||||||||||||||||||
|
|||||||||||||||||||||||||||||||||||||||||||||||||||||||||








Daniel.Ding
Ding



