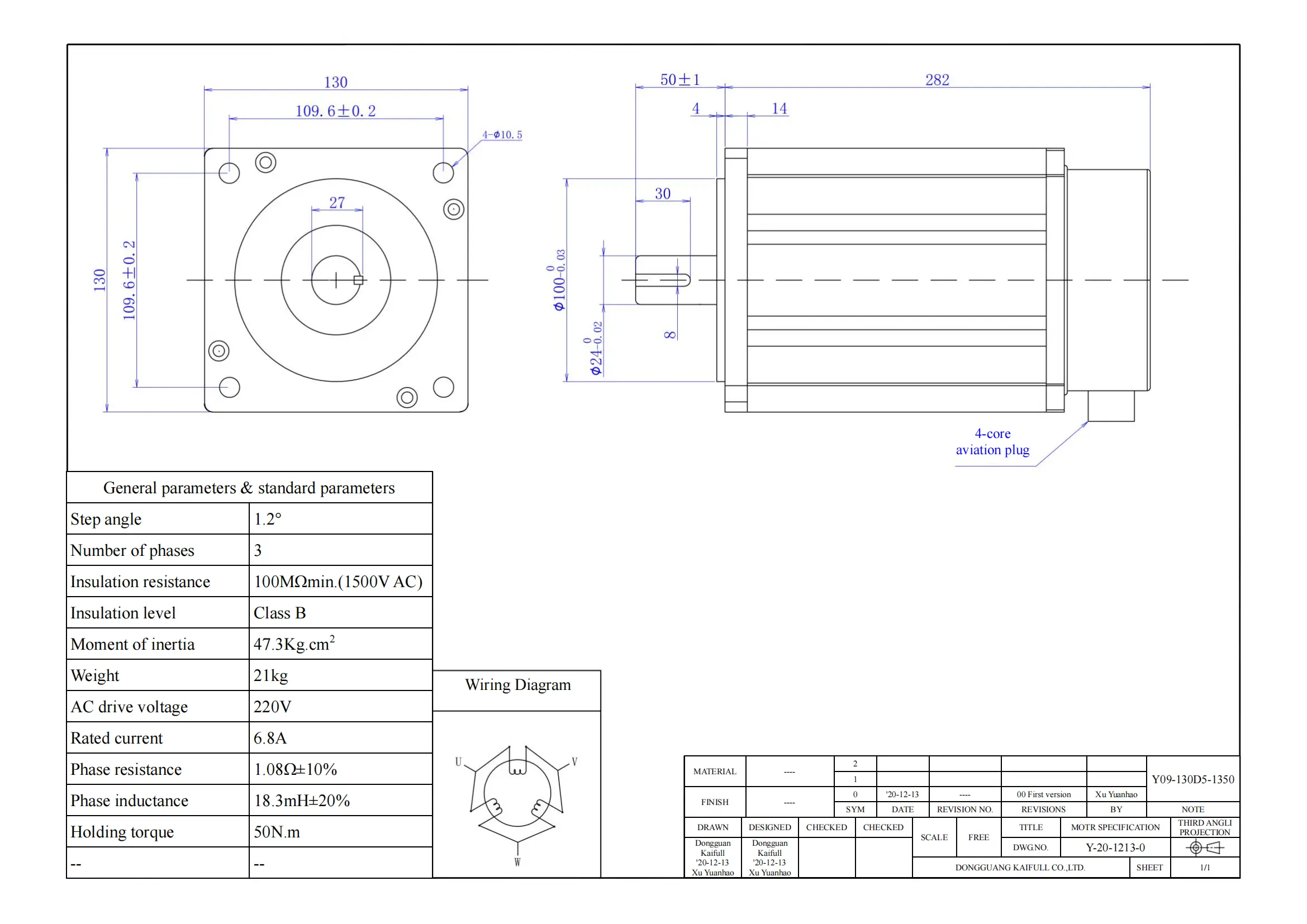
Y09-130D5-1350 220V 3-Phase Stepper Motor, 1.2° Step Angle, 50N.m Holding Torque
The Y09-130D5-1350 is a high-performance 3-phase stepper motor designed for applications that require maximum torque and precision. With a fine 1.2° step angle and a substantial holding torque of 50N.m, this motor excels in high-load industrial environments, including CNC machinery, robotics, and automated production lines. Operating on a 220V AC power supply and rated for a 6.8A current, it delivers powerful and efficient performance suited for demanding continuous operations.
Built with a strong moment of inertia of 47.3Kg.cm² and weighing 21kg, the Y09-130D5-1350 ensures stability and reduced vibration even under significant load. The motor features Class B insulation and boasts an insulation resistance of 100MΩ at 1500V AC, ensuring long-term operational safety and reliability. With a low phase resistance of 1.08Ω and phase inductance of 18.3mH, it allows smooth, controlled movement, positioning it as a top choice for high-precision and heavy-duty industrial applications.
| ●Motor configuration and performance parameters | |||||||||||||||||||||||||
|
|||||||||||||||||||||||||








Daniel.Ding
Ding



