Y07-59D1-3075D High-Performance Stepper Motor
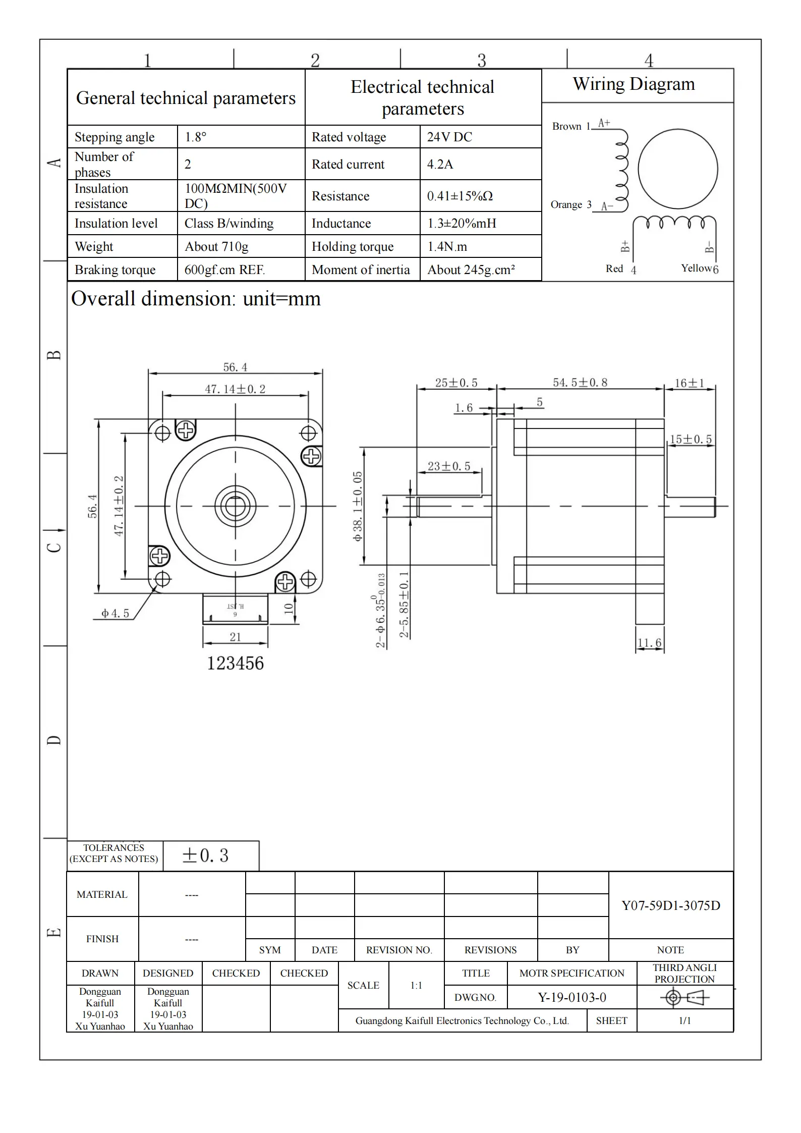
The Y07-59D1-3075D stepper motor is designed for high-performance applications requiring precise control and reliability. With a stepping angle of 1.8°, this motor provides excellent accuracy in positioning, making it suitable for tasks in automation, robotics, and CNC machinery. Operating at a rated voltage of 24V DC, the Y07-59D1-3075D features a dual-phase design, which enhances its torque capabilities and efficiency.
With a rated current of 4.2A, this motor delivers a respectable holding torque of 1.4N·m, allowing it to maintain its position effectively even under varying loads. This is particularly useful in applications where stability is essential, such as in vertical lift systems or precise conveyor setups. The motor also features a braking torque of 600gf·cm, which ensures rapid stopping and smooth transitions between motion states, minimizing overshoot and improving operational safety.
The Y07-59D1-3075D is built for durability, boasting an insulation resistance of 100MΩ at 500V DC. This high level of insulation enhances the motor's reliability, particularly in environments where electrical noise or surges may occur. Its resistance of 0.41±15Ω and inductance of 1.3±20%mH contribute to efficient operation and optimal energy consumption.
Weighing approximately 710g, this motor is compact yet robust, making it suitable for applications with space constraints. The moment of inertia is about 245g·cm², allowing for smooth acceleration and deceleration during operation, crucial for applications that require precise motion control. The Class B insulation rating ensures the motor can handle moderate temperature variations, enhancing its longevity and performance in various settings.
Overall, the Y07-59D1-3075D stepper motor combines precision, efficiency, and durability, making it an excellent choice for a wide array of motion control applications.
| ●Motor configuration and performance parameters | |||||||||||||||||||||||||||||
|
|||||||||||||||||||||||||||||








Daniel.Ding
Ding



