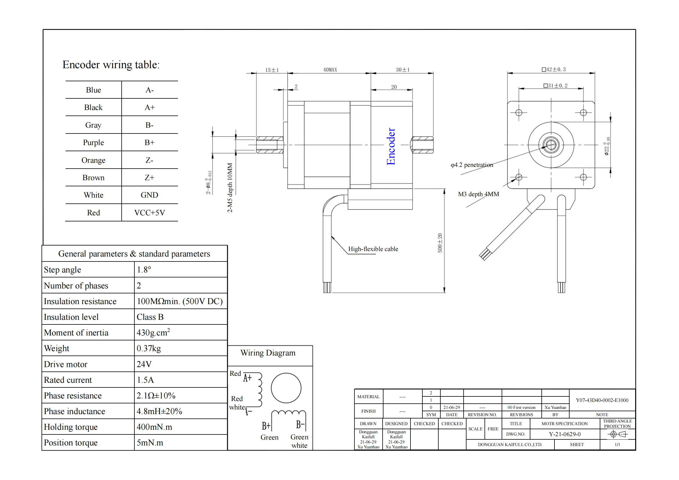
Y07-43D40-0002-E1000 Closed-Loop Stepper Motor with 400mN.m Torque
The Y07-43D40-0002-E1000 Closed-Loop Stepper Motor is engineered for precision and efficiency in demanding applications. With a stepping angle of 1.8° and a two-phase design, this motor ensures accurate motion control. It features a holding torque of 400mN.m, making it suitable for tasks that require reliable performance under load. The motor is built to last, with a minimum insulation resistance of 100MΩ at 500V DC and Class B insulation rating, ensuring safe operation. It operates at a rated voltage of 24V with a current of 1.5A, exhibiting a phase resistance of 2.1Ω±10% and a phase inductance of 4.8mH±20%, which contributes to its energy efficiency. Weighing approximately 0.37kg with a moment of inertia of 430g.cm², this motor offers a lightweight yet robust solution for precise control. Additionally, it has a position torque of 5mN.m, enhancing its versatility in various industrial applications.
| ●Motor configuration and performance parameters | |||||||||||||||||||||||||||
|
|||||||||||||||||||||||||||








Daniel.Ding
Ding




