Y07-43D4-5040D Stepper Motor – Reliable 0.77N·m Holding Torque, 1.8° Step Angle
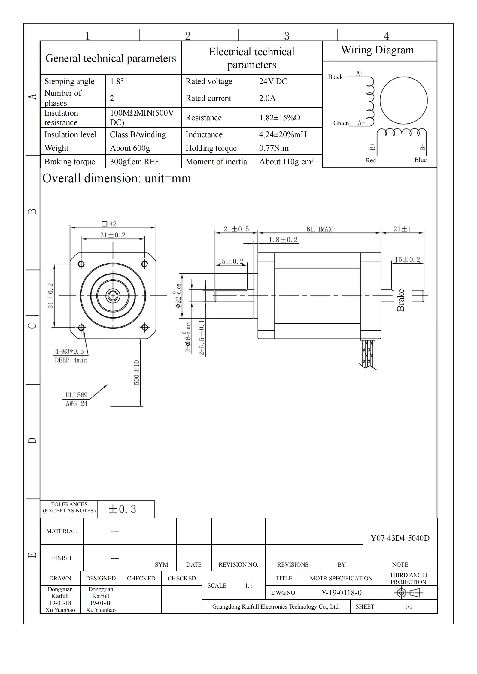
The Y07-43D4-5040D stepper motor is engineered for precision and durability, making it an ideal choice for a wide range of automation and motion control applications. Operating at a rated voltage of 24V DC and a current of 2.0A, this 2-phase motor delivers a robust holding torque of 0.77N·m, ensuring reliable performance under various load conditions. With a step angle of 1.8°, it provides accurate positioning capabilities essential for applications in robotics and CNC machinery. The winding resistance is rated at 1.82Ω ±15%, and the inductance is measured at 4.24mH ±20%, which contributes to efficient and stable operation. This motor also boasts an impressive insulation resistance of 100MΩ minimum (500V DC) and falls under Class B insulation, ensuring safety and longevity. Weighing approximately 600g, it features a braking torque of 300gf.cm, and a moment of inertia of about 110g.cm², making it suitable for dynamic applications that require rapid starts and stops. The Y07-43D4-5040D is perfect for applications requiring high accuracy and reliability.
| ●Motor configuration and performance parameters | |||||||||||||||||||||||||||||
|
|||||||||||||||||||||||||||||








Daniel.Ding
Ding



