Y07-28D34-3401-E1000 Closed-loop Stepper Motor – 28mm Frame, 1.8° Step Angle
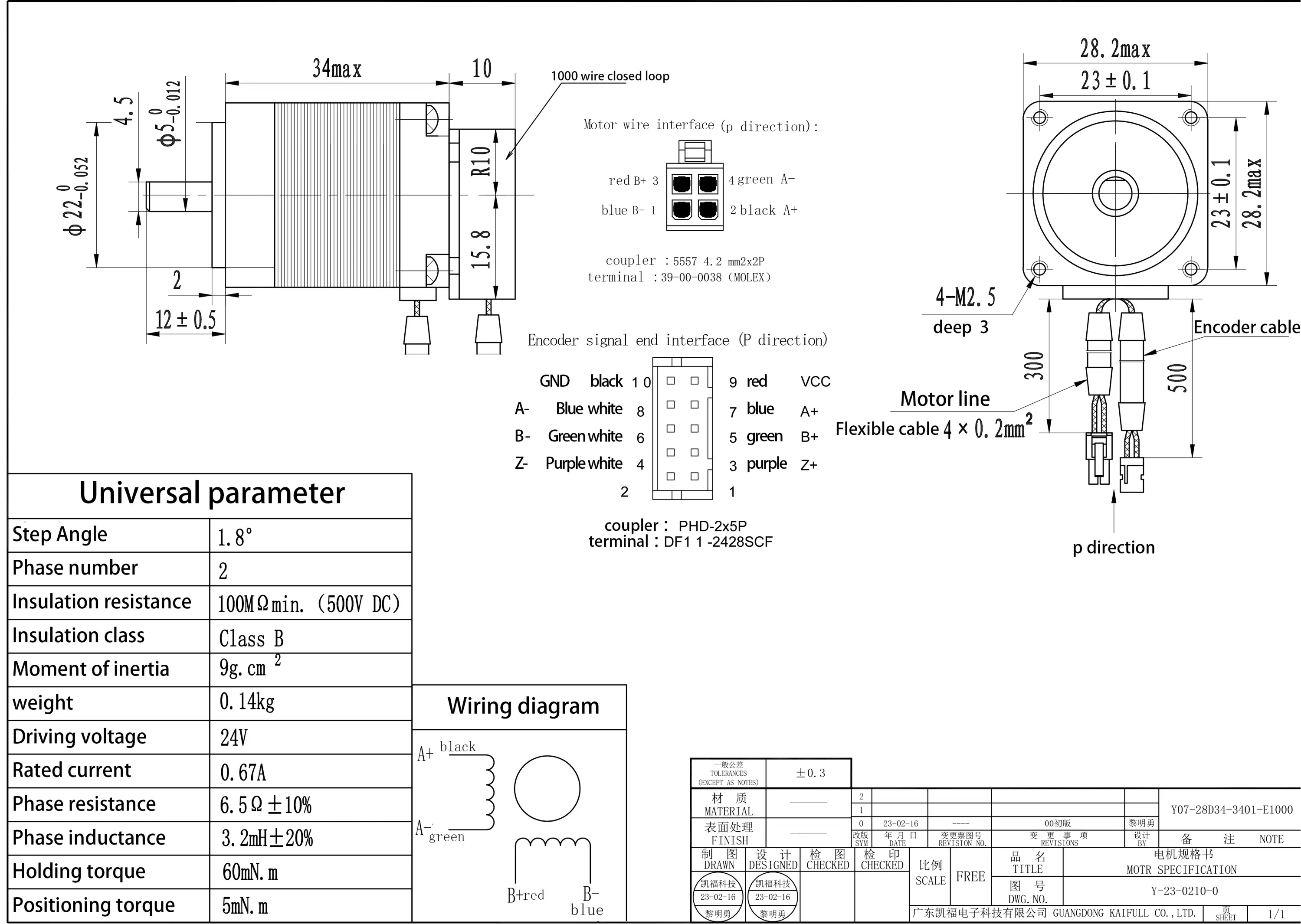
The Y07-28D34-3401-E1000 closed-loop stepper motor offers a highly efficient solution with excellent torque output and precision. Featuring a 28mm frame size and a step angle of 1.8°, this motor ensures smooth and reliable performance for a variety of applications. With a rated current of 1A, resistance of 2.1Ω, and inductance of 1.4mH, it is engineered for energy-efficient operations and reduced heat generation.
This closed-loop motor boasts a low rotor inertia of 9g.cm², providing high responsiveness and precise motion control. The shaft diameter of 5mm and axis length of 12.5mm make it easy to integrate into various machinery. The motor length is just 34mm, making it a compact choice for applications where space is at a premium.
The Y07-28D34-3401-E1000 is ideal for applications requiring consistent torque and minimal maintenance, with a minimum thrust of 0.05N. With a mass of only 140g, it provides high performance without compromising on weight.
Whether you're in robotics, CNC machinery, or precision equipment, this closed-loop stepper motor offers the reliability, performance, and efficiency you need to enhance your system’s capabilities.
| ●Motor configuration and performance parameters | |||||||||||||||||||||||||||
|
|||||||||||||||||||||||||||








Daniel.Ding
Ding


