Y07-20D40-4402-E2000 Closed-loop Stepper Motor – 20mm Frame, 1.8° Step Angle
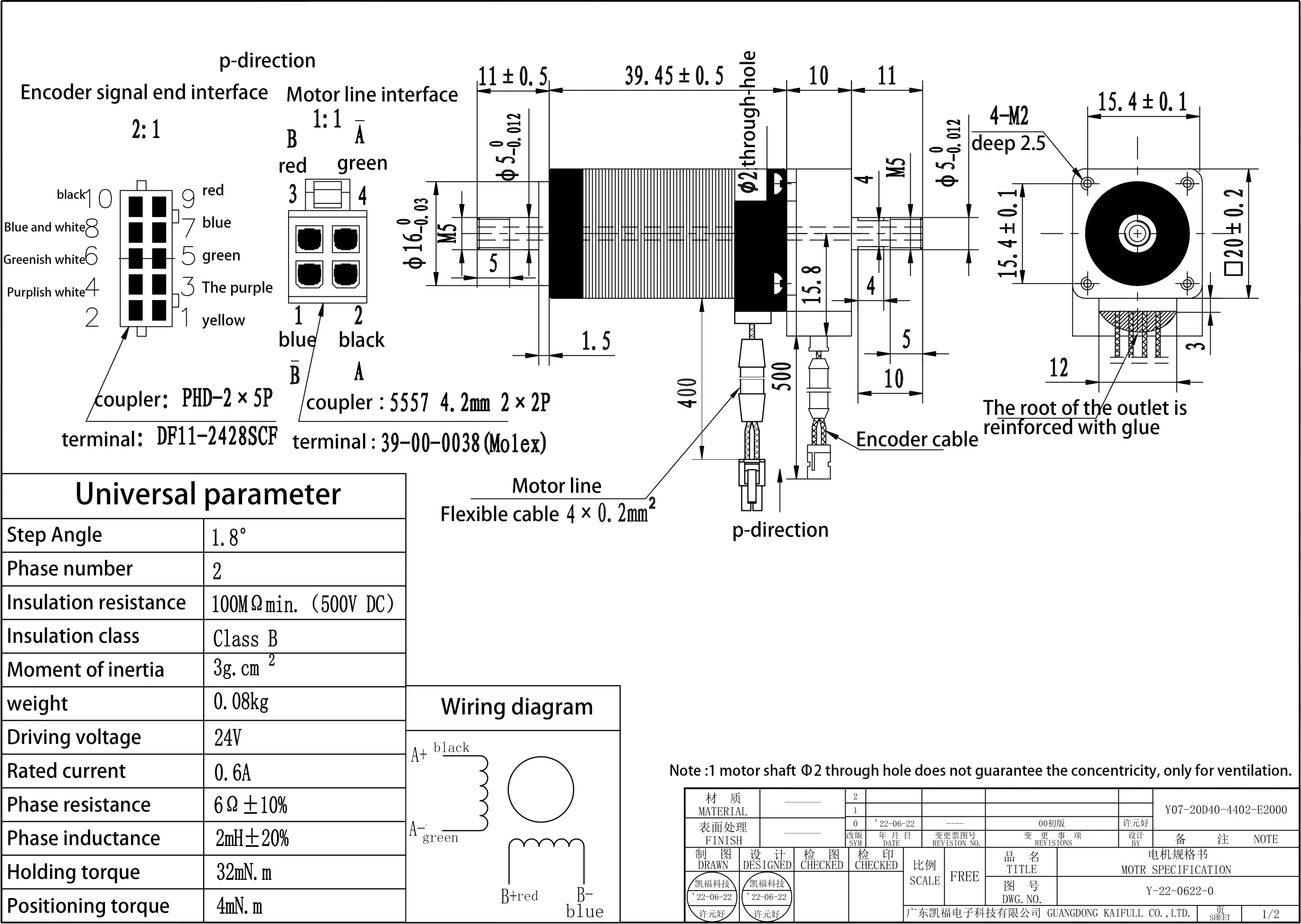
The Y07-20D40-4402-E2000 is a compact and efficient closed-loop stepper motor with a 20mm frame size, designed to deliver precise motion control in tight spaces. With a 1.8° step angle, this motor provides high accuracy and consistent performance in applications that require precision, such as robotics, medical devices, and small machinery.
Operating at a rated current of 0.6A and a resistance of 6.0Ω, the Y07-20D40-4402-E2000 is engineered for energy efficiency and reliable torque generation. The motor also features an inductance of 2mH and a rotor inertia of just 3g.cm², ensuring fast response times and smooth operation.
The motor’s compact design, with a shaft diameter of 5mm and a motor length of 49.45mm, makes it ideal for space-constrained applications while still delivering the torque needed for efficient movement. The Y07-20D40-4402-E2000 is a great choice for precise positioning tasks in a wide range of automation and motion control systems.
| ●Motor configuration and performance parameters | |||||||||||||||||||||||||||
|
|||||||||||||||||||||||||||








Daniel.Ding
Ding


