Y07-20D1-1002-01GZ-100 High-Precision Screw Stepper Motor
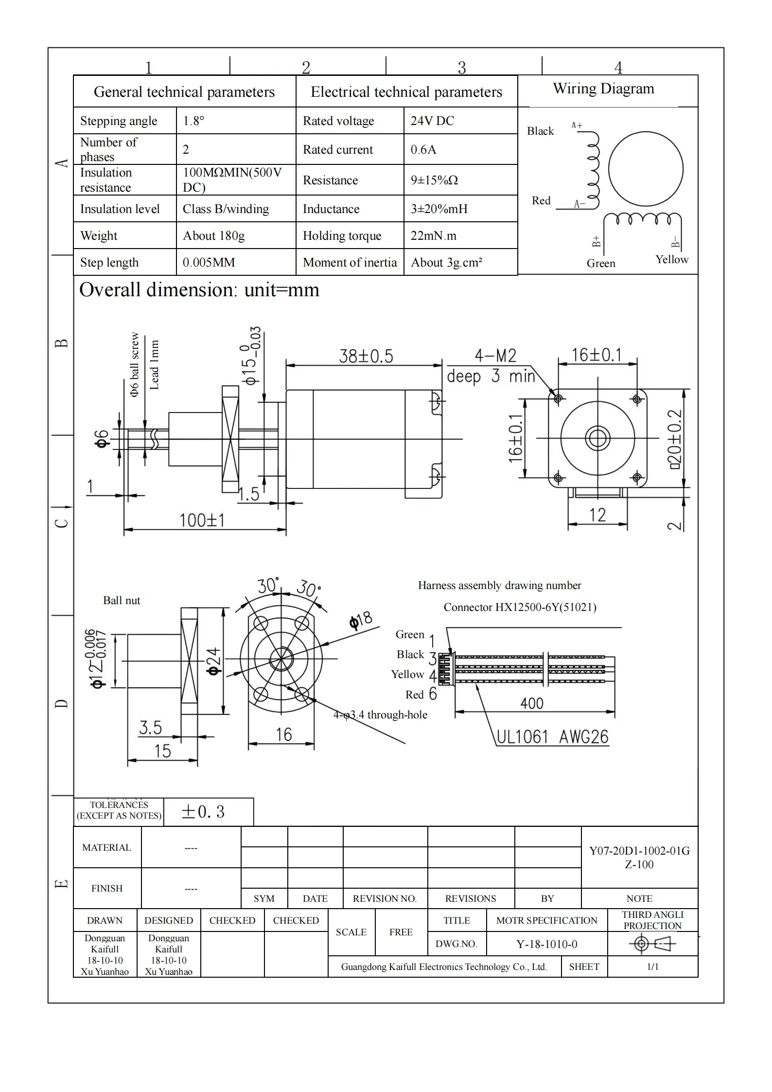
The Y07-20D1-1002-01GZ-100 screw stepper motor is built for high-precision tasks that require accurate control and fine-tuned movements. With a stepping angle of 1.8°, this motor is optimized for smooth and consistent performance in applications that demand meticulous precision. The 24V DC rated voltage and 0.6A rated current ensure the motor operates efficiently while maintaining reliable output in various operating conditions.
This 2-phase stepper motor features an insulation resistance of 100 MΩ (500V DC), enhancing its durability and ensuring safety in both industrial and technical environments. Its electrical resistance is rated at 9±15% Ω, while the inductance is 3±20% mH, making the motor well-suited for applications requiring both energy efficiency and stable performance. The insulation level is Class B, which allows the motor to operate in environments with higher temperatures, ensuring longevity and reliability.
The Y07-20D1-1002-01GZ-100’s key advantage lies in its fine step length of 0.005 mm, which enables highly accurate positioning and movement. This level of precision is crucial in sensitive applications such as medical devices, precision machinery, and high-tech assembly processes. Its holding torque of 22 mN·m guarantees stability during operation, while the moment of inertia, about 3 g·cm², ensures smooth and rapid transitions between steps, essential for dynamic tasks requiring frequent motion changes.
Weighing approximately 180 grams, this stepper motor strikes the right balance between compactness and robust performance, making it ideal for use in small to mid-sized systems. Its compact design allows for easy integration into a variety of applications, from laboratory instruments to fine-tuned robotics.
In summary, the Y07-20D1-1002-01GZ-100 screw stepper motor is an exceptional choice for applications requiring ultra-precise control and movement. With its fine step length, stable holding torque, and durable design, this motor ensures optimal performance in both technical and industrial environments. Whether for small-scale precision tasks or complex machinery, this motor offers the reliability and accuracy you need to achieve flawless results.
| ●Motor configuration and performance parameters | |||||||||||||||||||||||||||||
|
|||||||||||||||||||||||||||||








Daniel.Ding
Ding



