KST-60E46-0001 1.2° Three-Phase Stepper Motor with 1.5N·m Holding Torque, 5.8A Rated Current, 24V DC Drive Voltage
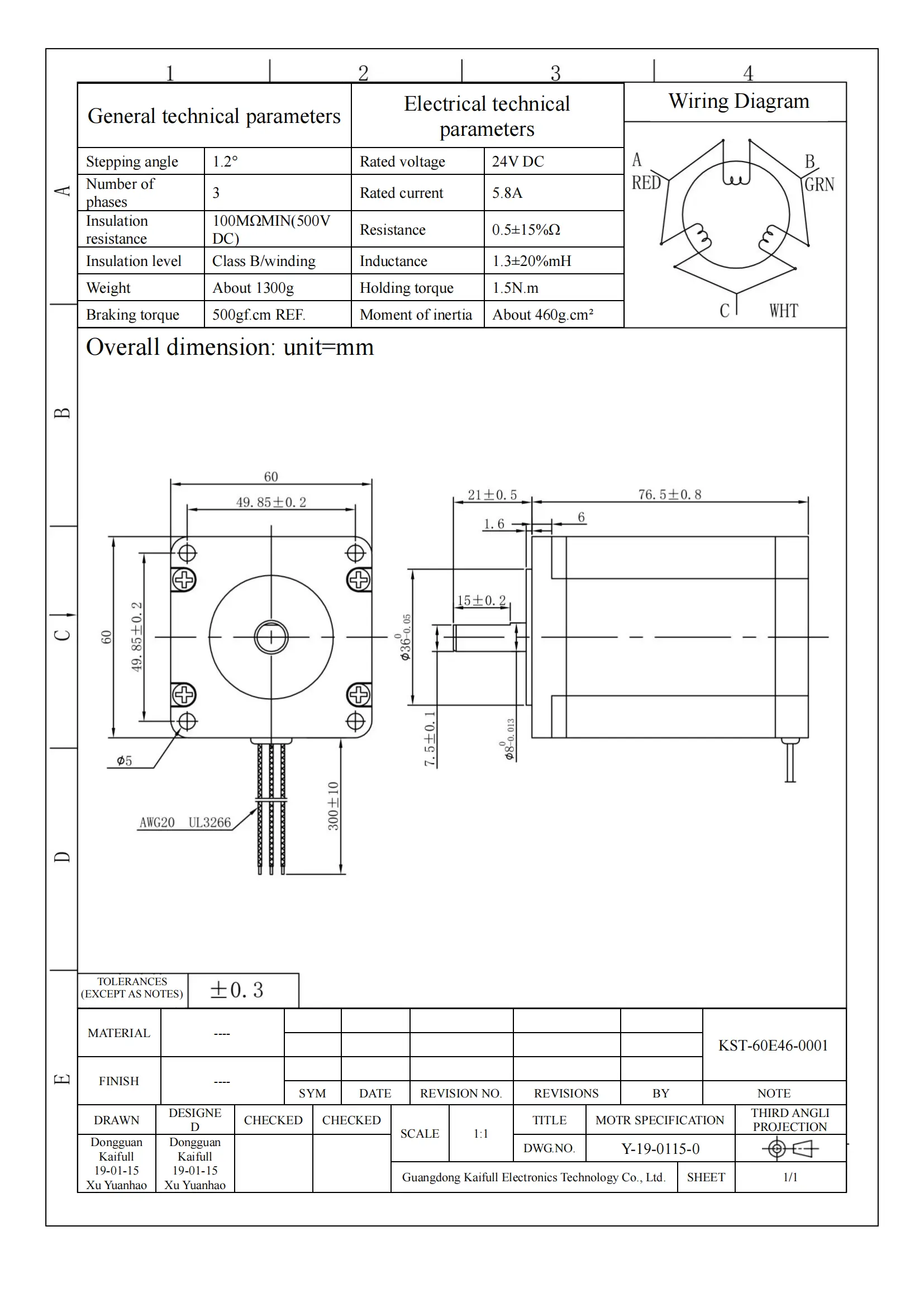
The KST-60E46-0001 is a high-performance three-phase stepper motor, designed for precision motion control in a variety of industrial and automation applications. With a step angle of 1.2° and a holding torque of 1.5N·m, this motor provides high accuracy and reliable performance for systems like CNC machines, robotics, and automation systems that require moderate torque and high precision.
The motor operates at a rated current of 5.8A and is powered by a 24V DC drive voltage, offering efficient energy use and stable operation. It has a phase resistance of 0.5Ω±15% and an inductance of 1.3mH±20%, ensuring smooth, low-loss performance and reducing electrical noise.
Designed with Class B insulation and an insulation resistance of 100MΩ minimum at 500V DC, the KST-60E46-0001 is built for durability and long-term operation in harsh environments. The motor’s braking torque is 500gf·cm, and the moment of inertia is approximately 460g·cm², providing excellent control and fast response times for precise movements.
Weighing about 1300g, the KST-60E46-0001 is a compact and efficient solution for applications requiring precise positioning and moderate torque in demanding environments.
| ●Motor configuration and performance parameters | |||||||||||||||||||||||||||||
|
|||||||||||||||||||||||||||||








Daniel.Ding
Ding



