KST-60D65-EA-0004 1.8° Stepper Motor, 5A Rated Current, 2.6N·m Holding Torque, 60mm Frame Size
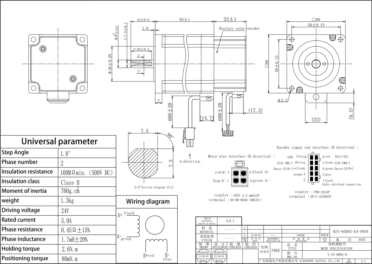
The KST-60D65-EA-0004 is a robust 60mm frame size stepper motor designed for high-torque, precise motion control applications. With a 1.8° step angle and 5A rated current, this motor is ideal for automation, robotics, and industrial machinery, offering high performance and reliability.
This motor features a holding torque of 2.6N·m, ensuring superior positioning accuracy in demanding environments. The phase resistance is 0.45Ω, and the phase inductance is 1.7mH, ensuring efficient operation while maintaining minimal energy losses. With a moment of inertia of 760g·cm², it provides smooth and controlled motion, making it suitable for applications requiring high precision and reliability.
The shaft diameter is 8mm, and the motor length is 116mm, making this motor a compact yet powerful solution for space-constrained environments. With a weight of 1300g, it strikes a balance between size and torque for a variety of industrial applications.
| ●Motor configuration and performance parameters | |||||||||||||||||||||||||||
|
|||||||||||||||||||||||||||








Daniel.Ding
Ding



