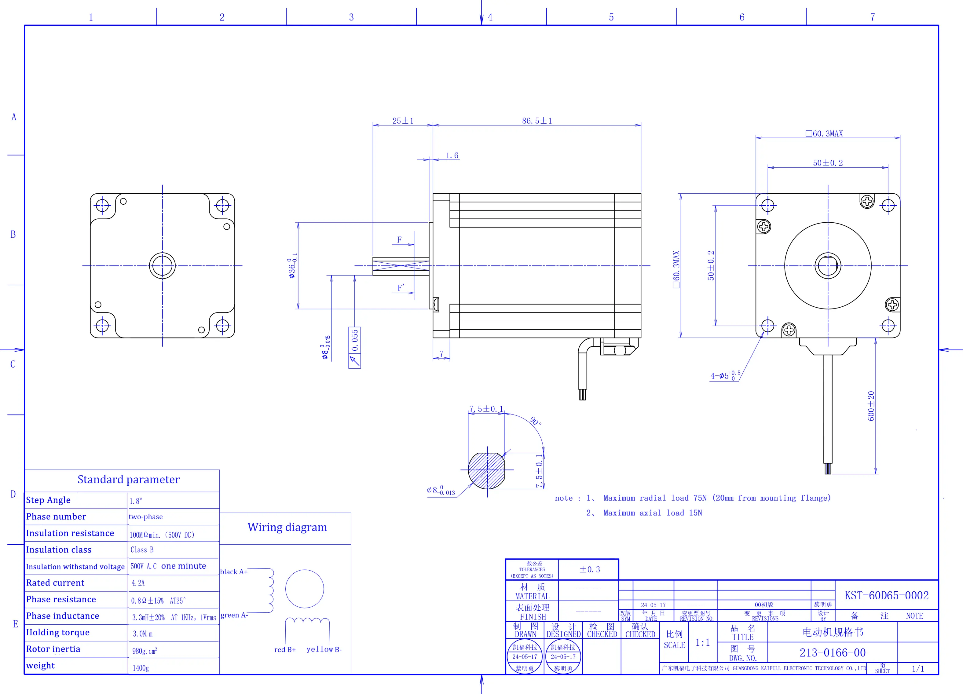
KST-60D65-0002 1.8° Stepper Motor, 4.2A Rated Current, 3.0N·m Holding Torque, 60mm Frame Size
The KST-60D65-0002 stepper motor is a high-performance motor designed for precision applications requiring accurate and reliable motion control. With a 1.8° step angle and a 3.0N·m holding torque, this motor offers robust performance ideal for industrial, CNC machines, robotics, and automation systems.
Operating with a 4.2A rated current, the motor provides high torque capabilities for demanding applications. Its phase resistance of 0.8Ω ± 15% at 25°C and phase inductance of 3.3mH ± 20% (measured at 1KHz, 1Vrms) ensure smooth and efficient operation, while minimizing power loss. With a rotor inertia of 980g·cm², it can handle heavy loads without compromising on precision.
Built with Class B insulation, this motor boasts an insulation resistance of 100MΩ minimum (at 500V DC) and is designed to withstand 500V AC for 1 minute, ensuring durability and safety in demanding environments. The motor weighs 1400g and is housed in an 60mm frame, making it suitable for use in various mechanical systems that require high accuracy and consistent performance.
| ●Motor configuration and performance parameters | |||||||||||||||||||||||||
|
|||||||||||||||||||||||||








Daniel.Ding
Ding



