KST-60B35-D-0001 NEMA 24 0.72° High-Precision Stepper Motor – 0.8 N·m Holding Torque, 1.5A Rated Current
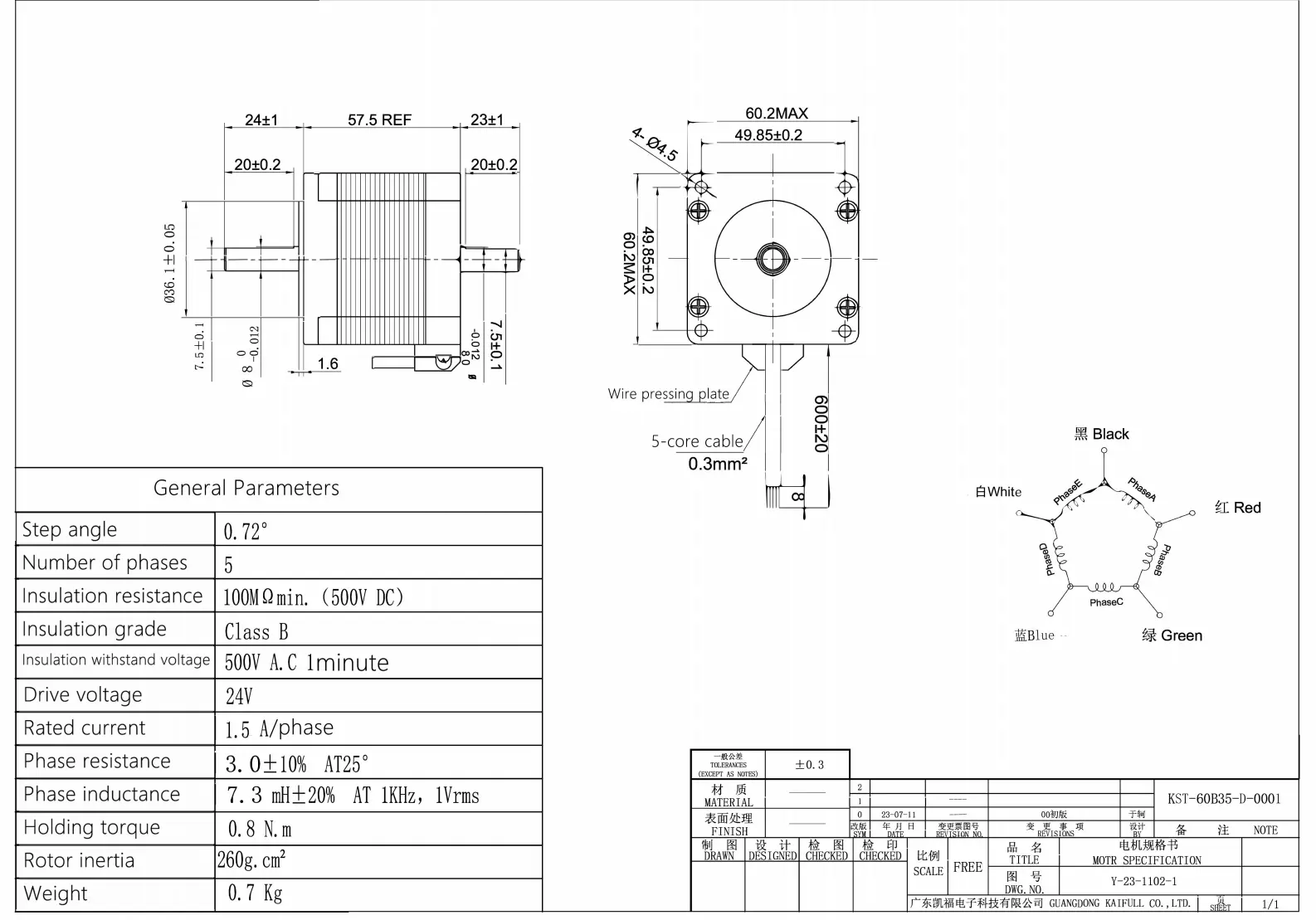
The KST-60B35-D-0001 is a high-precision NEMA 24 stepper motor designed for applications that demand exceptional positioning accuracy and stability. With a 0.72° step angle, it delivers ultra-smooth and precise motion control, making it ideal for CNC machinery, robotics, automation equipment, and 3D printing.
Featuring a holding torque of 0.8 N·m and a rated current of 1.5A, this motor ensures powerful and consistent performance. The 8mm shaft diameter and 24mm shaft length provide secure coupling with various mechanical systems. Its 57.5mm body length and 700g mass strike the perfect balance between torque output and compact design.
Built with high-grade rotor materials and optimized winding design, the KST-60B35-D-0001 offers low vibration, minimal noise, and long service life. Whether for professional automation setups or precision engineering projects, this stepper motor ensures reliable, repeatable motion control.
| ●Motor configuration and performance parameters | |||||||||||||||||||||||
|
|||||||||||||||||||||||








Daniel.Ding
Ding



