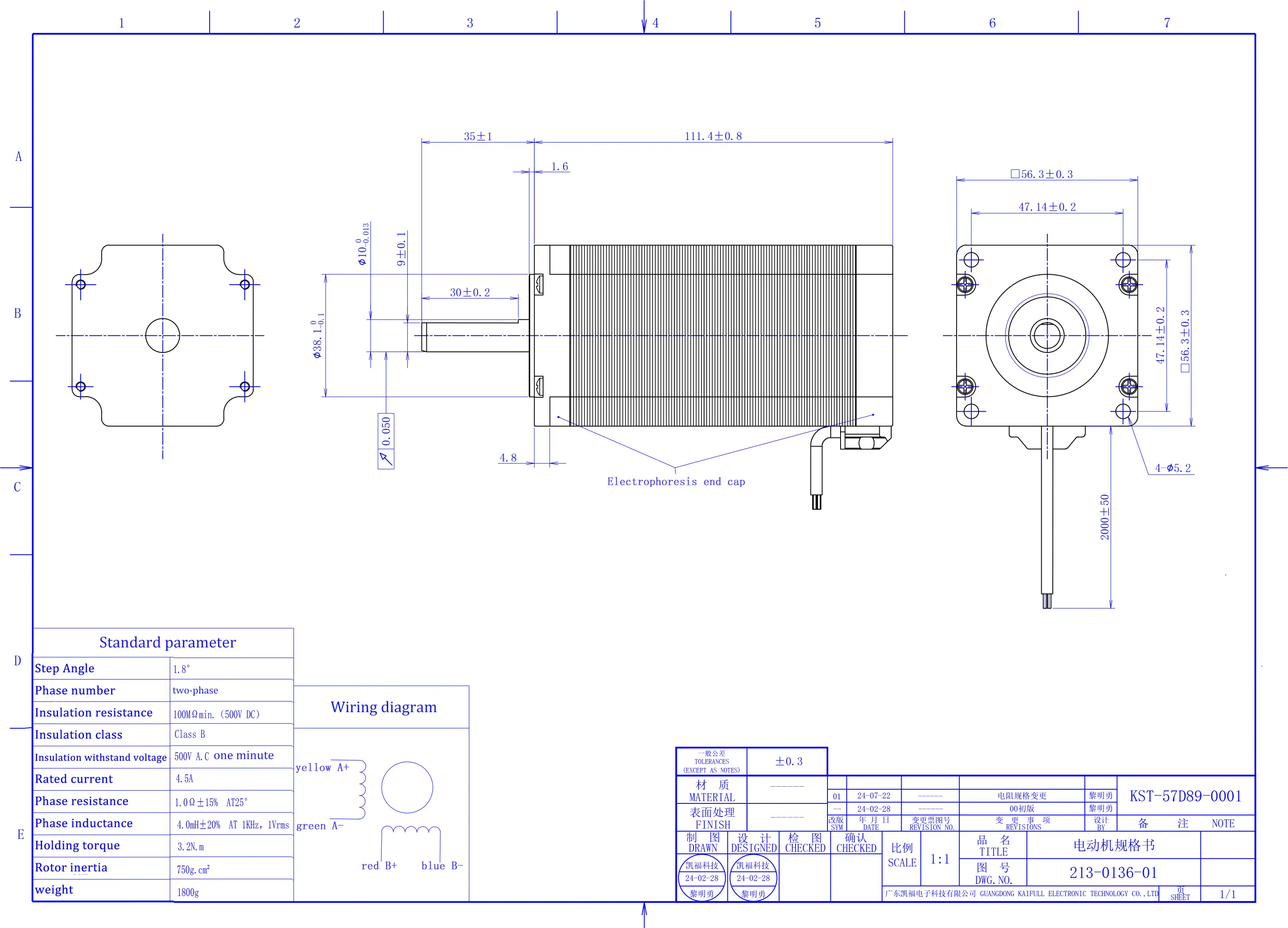
KST-57D89-0001 1.8° Stepper Motor, 4.5A Rated Current, 3.2N·m Holding Torque, 57mm Frame Size
The KST-57D89-0001 stepper motor is engineered to deliver precise and high-torque performance for a wide range of industrial and automation applications. With a 1.8° step angle and 3.2N·m holding torque, this motor provides reliable and accurate motion control for CNC machinery, robotics, automated systems, and other motion-intensive tasks.
This motor operates with a rated current of 4.5A and features phase resistance of 1.0Ω ± 15% at 25°C, as well as a phase inductance of 4.0mH ± 20% at 1KHz, 1Vrms, ensuring optimal performance and minimal power loss during operation. The rotor inertia of 750g·cm² helps manage medium loads while maintaining excellent stability and responsiveness.
The KST-57D89-0001 is built with Class B insulation, offering 100MΩ minimum insulation resistance at 500V DC and 500V AC withstand voltage for 1 minute, ensuring durability and safe operation in harsh environments. With a weight of 1800g and housed in a 57mm frame size, this motor is designed for high-torque applications where precision, power, and reliability are key.
| ●Motor configuration and performance parameters | |||||||||||||||||||||||||
|
|||||||||||||||||||||||||








Daniel.Ding
Ding


